EasyManua.ls Logo

Yamaha WaveRunner - Fuel Control System

Yamaha WaveRunner
515 pages
Print Icon
To Next Page IconTo Next Page
To Next Page IconTo Next Page
To Previous Page IconTo Previous Page
To Previous Page IconTo Previous Page
Loading...
7-25
E
+
ELEC
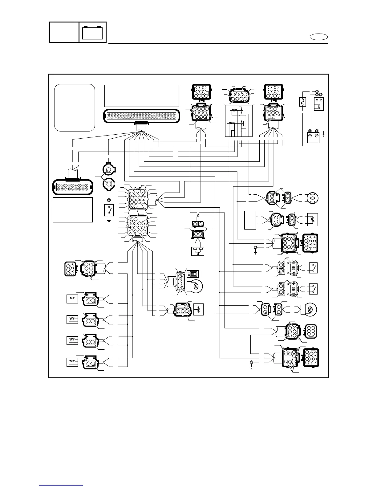
FUEL CONTROL SYSTEM
FUEL CONTROL SYSTEM
WIRING DIAGRAM
#4
#3
#2
#1
L/R
P/G
B/Y
B/O
B/O
R/Y
R/Y
R/Y
R/Y
R/Y
R/Y
Pu/G
Pu/Y
Pu/B
Pu/R
O
O
P
R/Y
R/Y
R
B/O
B/O
B/O
B/O
B/Y
B/O
P
P
L/R
Br
L
Y
R R/Y
R
B
R/Y
R/Y
B/Y
B/Y
B/Y
B/O
B/Y
O
P
P
B/O
R
R R
B/O
B/O
B/O
B
B
B
R/Y
B
B
L
B
L
B
B
B
B
6
3
2
D
D
D
D
B
C
0
4
R
P
P
O
R
R R O
5 : P
6 : P/W
8 : B/Y
9 : O
14 : L
28 : L/B
30 : R/Y
33 : P/G
35 : B/Y
37 : Pu/G
38 : Pu/Y
39 : Pu/B
40 : Pu/R
1 2
3
4 5
6
7
8
Pu/G
R/Y
Pu/Y
R/Y
Pu/B
R/Y
Pu/R
R/Y
R/Y
R/Y
B
L
B
P
B
A
B/O
L/B
Y
L/B
B/O
B/O
P
P
B
P
B/O
B
P
B/O
P
B
P
B
8
9
P P
O
P/W
P/W
P/W
E
1518
L
F
B/Y
O
B/OP/G
P
O
G/B
G
Pu/B
G/Y
G/R
Pu/G
Pu/Y
Pu/B
P
O
R/Y
Pu/Y
G/Y
G/R
B/Y
P/G
Pu/R
Pu/R
Pu/G
P/G
R/Y
G
G/B
B/O
B
B
B/O
B/O
B/O
5
7
R/Y
R/Y
R/Y
R
1
1 ECM
2 Main and fuel pump relay
3 Fuse (20A)
4 Battery
5 Fuel pump
6 Multifunction meter
7 Fuel sender
8 Thermoswitch (exhaust)
9 Thermoswitch (engine)
0 Engine temperature sensor
A Slant detection switch
B Sensor assembly
C Throttle position sensor
D Fuel injector
E Oil pressure switch
F Remote control unit

Table of Contents

Related product manuals