EasyManua.ls Logo

Yamaha WaveRunner - QSTS Grip

Yamaha WaveRunner
515 pages
Print Icon
To Next Page IconTo Next Page
To Next Page IconTo Next Page
To Previous Page IconTo Previous Page
To Previous Page IconTo Previous Page
Loading...
8-8
E
HULL
HOOD
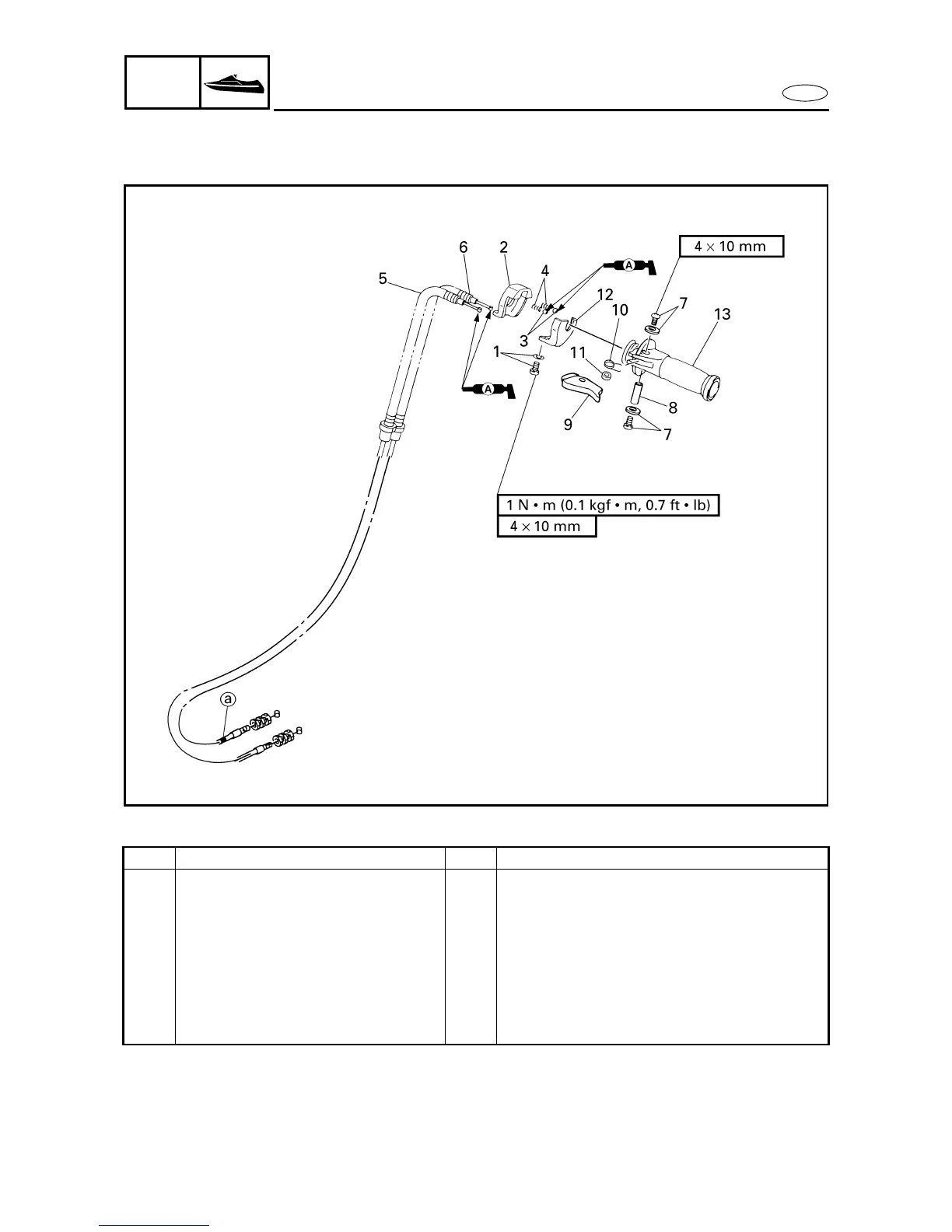
QSTS GRIP
QSTS GRIP
EXPLODED DIAGRAM
REMOVAL AND INSTALLATION CHART
Step Procedure/Part name Qty Service points
QSTS GRIP DISASSEMBLY
Follow the left Step for disassembly.
QSTS grip assembly Refer to HANDLEBAR.
1 Screw/washer 1/1
2 Cover 1
3Ball 2
4Spring 2
5 QSTS cable 1 1
6 QSTS cable 2 1 with white tape
a

Table of Contents

Related product manuals