EasyManua.ls Logo

Yamaha WaveRunner - Electric Bilge Pump

Yamaha WaveRunner
515 pages
Print Icon
To Next Page IconTo Next Page
To Next Page IconTo Next Page
To Previous Page IconTo Previous Page
To Previous Page IconTo Previous Page
Loading...
7-39
E
+
ELEC
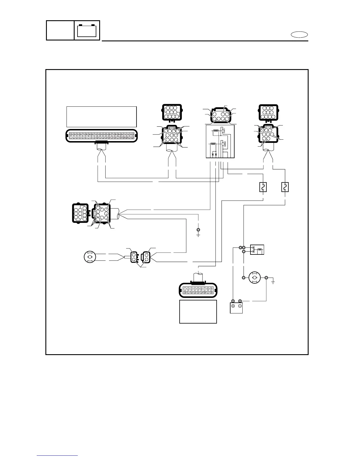
ELECTRIC BILGE PUMP
ELECTRIC BILGE PUMP
WIRING DIAGRAM
21 30
L/R
L
Y
R R/Y
R/Y
R/Y
R
Y
Br
B
B
B
B
B
RR
37
2
4
5
R
P
P
O
R
B
R
R
R
1 2
3
4 5
6
7
8
R/Y
R/Y
B
Br
R/Y
R/Y
R
R/Y
R/Y R
R/Y
6
15
B
B
B
B
L/R
R/Y
B
1
1 ECM
2 Main and fuel pump relay
3 Fuse (3A)
4 Battery
5 Electric bilge pump
6 Remote control unit
7 Fuse (20A)
B: Black
Br : Brown
R: Red
Y : Yellow
L/R : Blue/red
R/Y : Red/yellow

Table of Contents

Related product manuals