EasyManua.ls Logo

Yamaha WaveRunner - Arrangement of the Throttle Body Components Couplers

Yamaha WaveRunner
515 pages
Print Icon
To Next Page IconTo Next Page
To Next Page IconTo Next Page
To Previous Page IconTo Previous Page
To Previous Page IconTo Previous Page
Loading...
4-1
E
FUEL
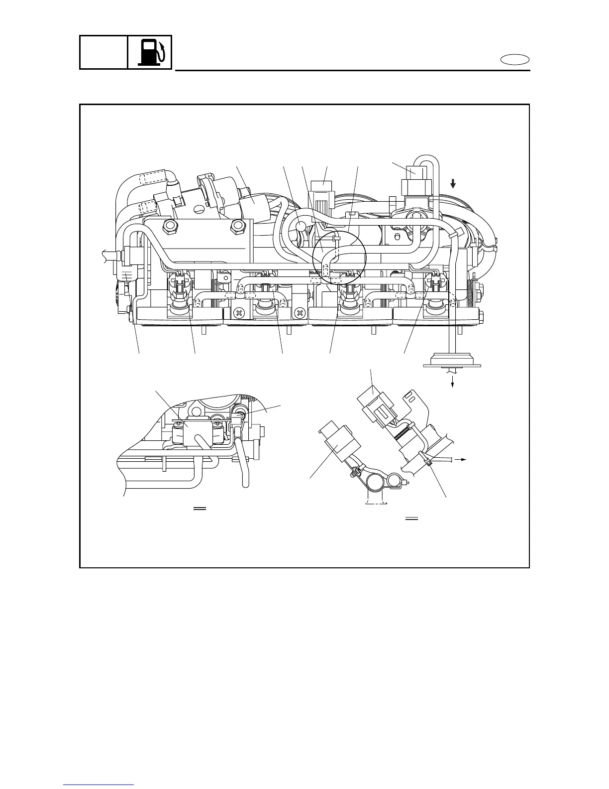
ARRANGEMENT OF THE THROTTLE BODY
COMPONENTS COUPLERS
ARRANGEMENT OF THE THROTTLE BODY COMPONENTS COUPLERS
1
Bypass valve motor coupler
2
Joint coupler
3
Sensor assembly coupler
4
Fuel injector #4 coupler
5
Fuel injector #3 coupler
6
Fuel injector #2 coupler
7
Fuel injector #1 coupler
8
Throttle position sensor
coupler
È
To wiring harness
É
Route the throttle cable
between the sub-wiring har-
ness.
Ê
Route the sub-wiring harness
under the intake vacuum hose.
Ë
To fuel injector #3
Ì
Fasten the sub-wiring harness
to the joint coupler bracket with
a plastic tie as shown in the
illustration.
Í
Fasten the ring, which is
attached to the sub-wiring har-
ness, to the sensor assembly
bracket with a plastic tie. Face
the end of the plastic tie
towards the sensor assembly.
1
2
3
4
5
6
7
8
3
2
2
A
B
A
É
Ê
È
Í
Ì
Ë
B

Table of Contents

Related product manuals