EasyManua.ls Logo

Yamaha WaveRunner - Page 39

Yamaha WaveRunner
515 pages
Print Icon
To Next Page IconTo Next Page
To Next Page IconTo Next Page
To Previous Page IconTo Previous Page
To Previous Page IconTo Previous Page
Loading...
2-20
E
SPEC
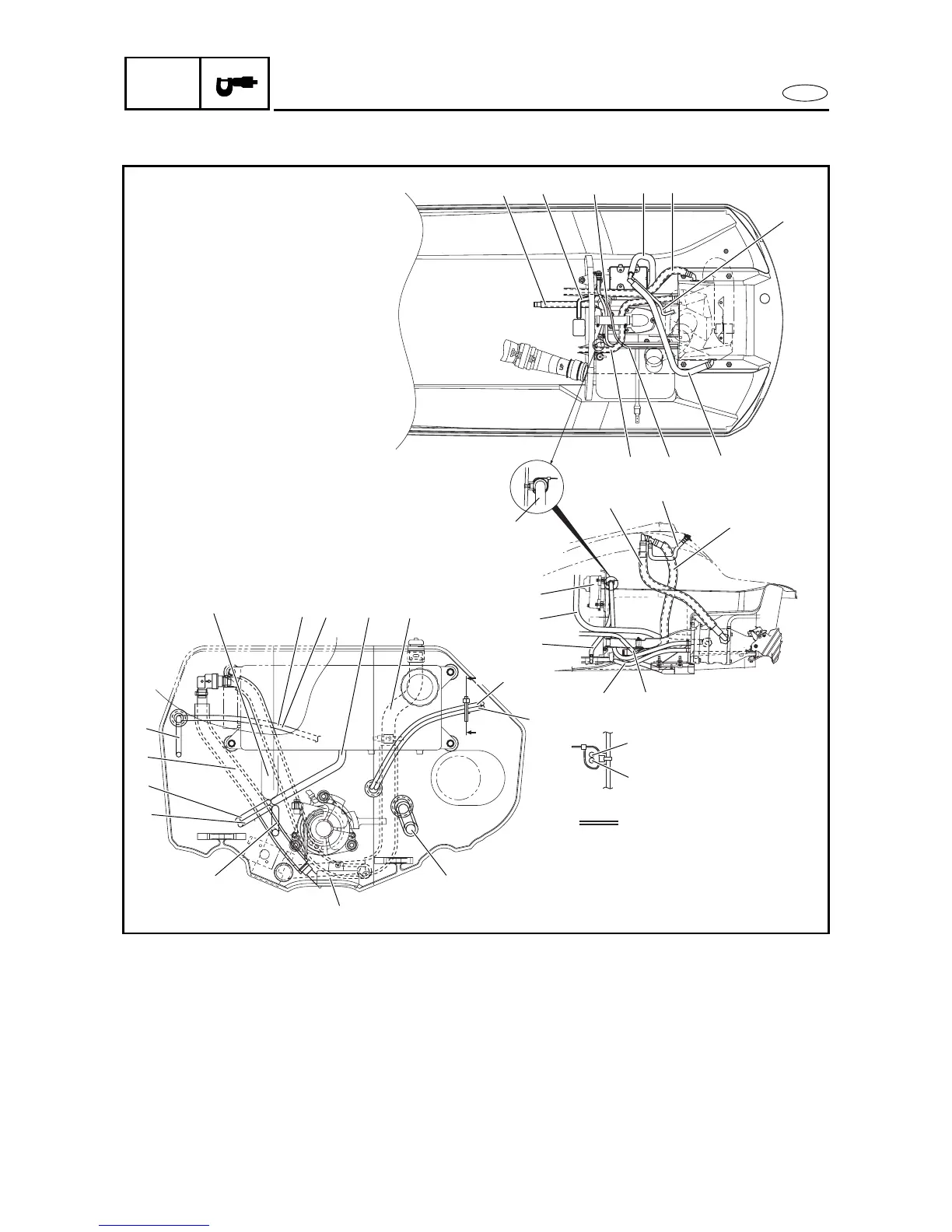
CABLE AND HOSE ROUTING
5
B
A
H
C
D
9
E
F
G
8
2
A
9
1
2
5
0
2
9
6
7
7
6
54
32
1
È
4
A-A
A
A
8
C
D
1 Cooling water hose (cooling water inlet)
2 Bilge hose 1
3 Electric bilge pump
4 Bilge hose 4
5 Cooling water hose (from thermostat)
6 Bilge hose 3
7 Bilge hose 2
8 Shift cable
9 Cooling water hose (from exhaust pipe)
0 Electrical box
A QSTS cable
B Positive battery lead
C Speed sensor lead
D Electric bilge pump lead
E Bilge strainer
F Negative battery lead
G Steering cable
H Flushing hose
È Pass the QSTS cable between the bilge hoses.

Table of Contents

Related product manuals