EasyManua.ls Logo

KYMCO MXU 500 - Starting Circuit

KYMCO MXU 500
664 pages
Print Icon
To Next Page IconTo Next Page
To Next Page IconTo Next Page
To Previous Page IconTo Previous Page
To Previous Page IconTo Previous Page
Loading...
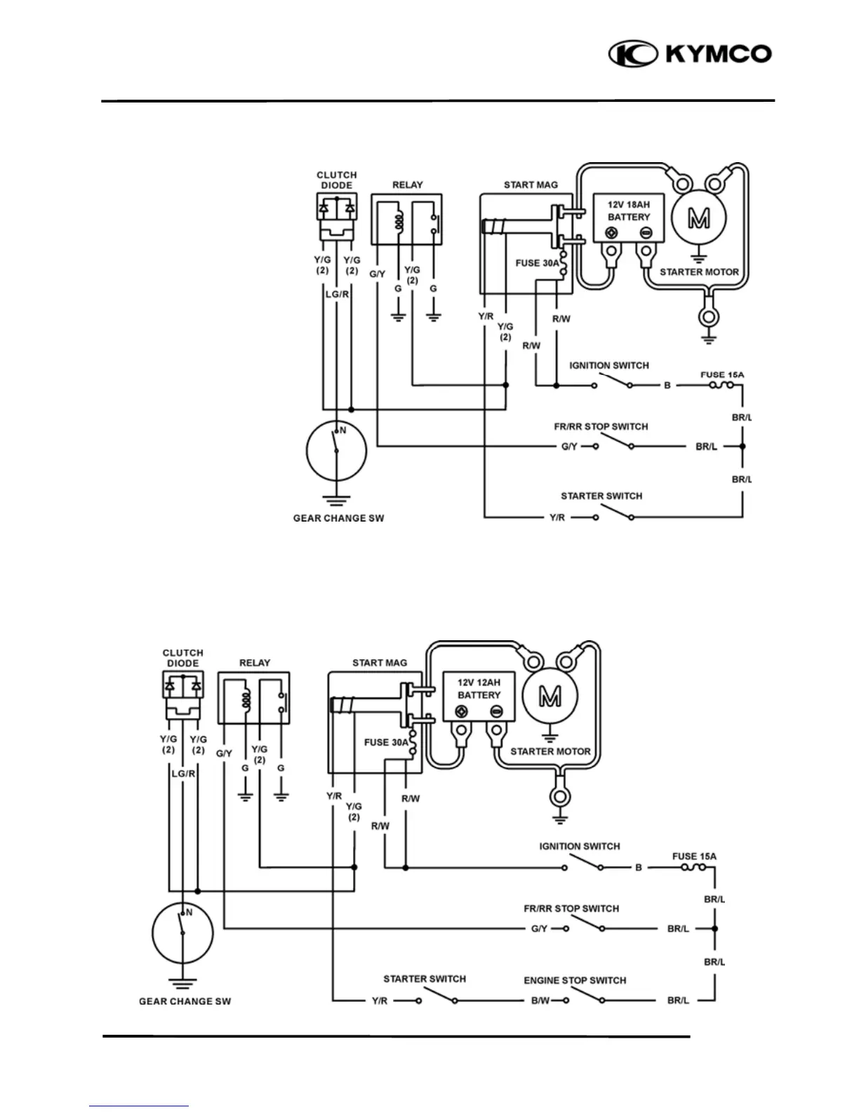
19. STARTER SYSTEM
19-2
MXU 500
STARTING CIRCUIT
(ON ROAD)
(OFF ROAD)

Table of Contents

Other manuals for KYMCO MXU 500

Related product manuals