EasyManua.ls Logo

Maeda MC815C - Moment Limiter (Overload Detector); Configuration of Moment Limiter

Maeda MC815C
426 pages
Print Icon
To Next Page IconTo Next Page
To Next Page IconTo Next Page
To Previous Page IconTo Previous Page
To Previous Page IconTo Previous Page
Loading...
115
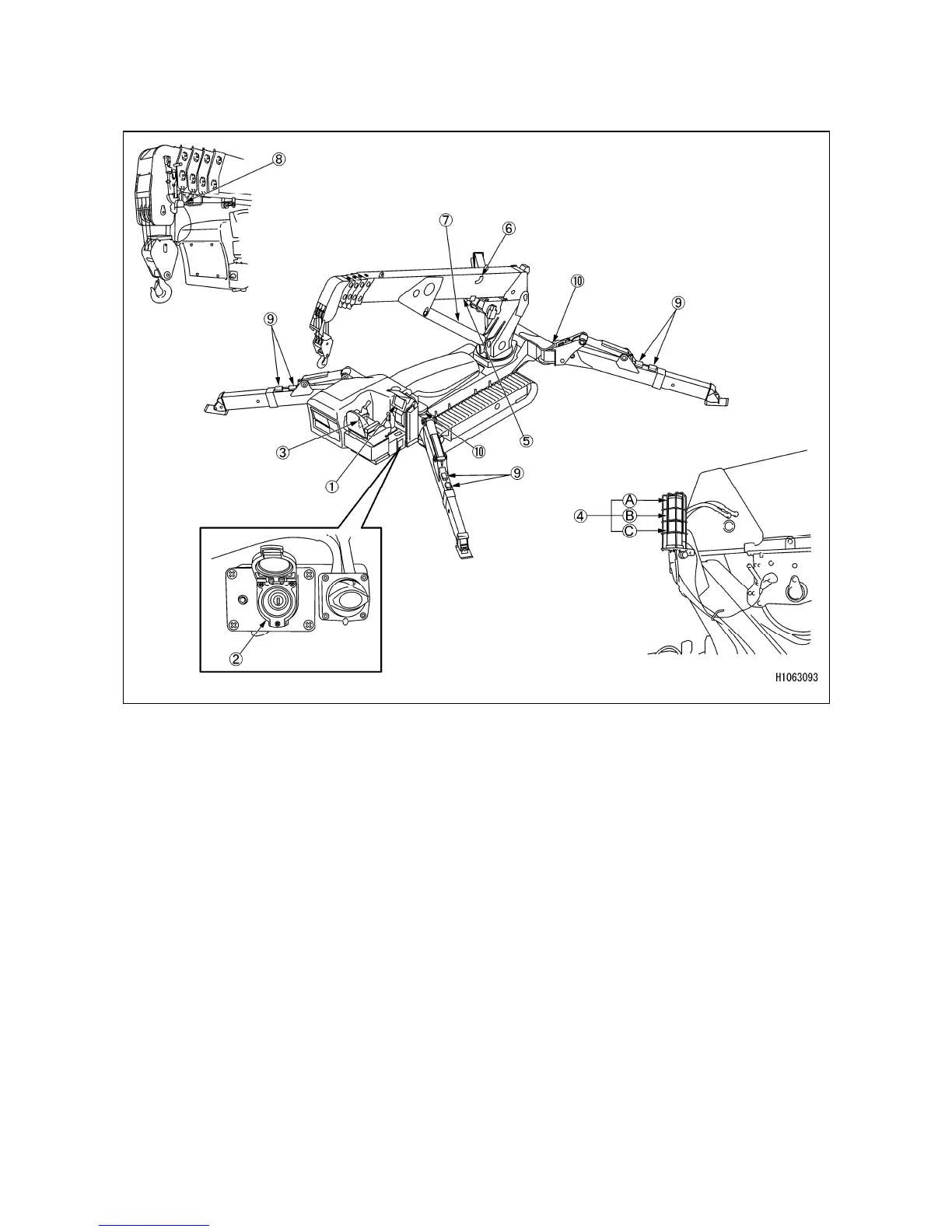
1.5 MOMENT LIMITER (OVERLOAD DETECTOR)
1.5.1 CONFIGURATION OF MOMENT LIMITER
(1) Monitor
(2) Override switch
(3) Controller
(4) Tricolor revolving light
(A) Red revolving light (warning lamp for a
load capacity ratio of 100 % or higher)
(B) Yellow revolving light (alarm lamp for a
load capacity ratio between 90 and less
than 100 %)
(C) Green revolving light (operation
indicator lamp for a load capacity ratio of
less than 90 %)
(5) Boom length gauge (inside the boom)
(6) Boom angle indicator (Both side faces at
the rear end of the boom)
(7) Pressure sensor (derricking cylinder
section, 2 pieces)
(8) Over winding alarm detector (at the side
surface of the boom front end)
(9) Outrigger position detection switch
(10) Outrigger rotary position detection switch

Table of Contents

Other manuals for Maeda MC815C

Related product manuals