EasyManua.ls Logo

Maeda MC815C - Description of Controls

Maeda MC815C
426 pages
Print Icon
To Next Page IconTo Next Page
To Next Page IconTo Next Page
To Previous Page IconTo Previous Page
To Previous Page IconTo Previous Page
Loading...
75
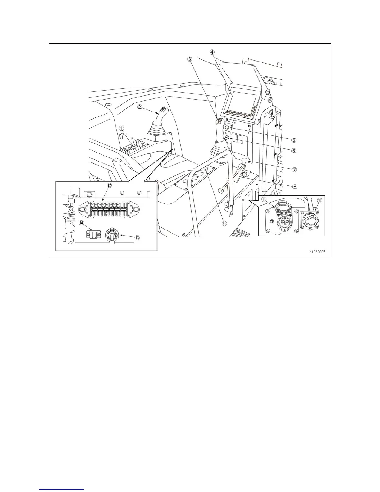
1.2. DESCRIPTION OF CONTROLS
(1) Outrigger operation panel
(2) Left control lever
(3) Right control lever
(4) Monitor
(5) Emergency stop switch
(6) Starter switch
(7) Lock lever
(8) Accelerator pedal
(9) Light switch
(10) Disconnect switch
(11) Override switch
(12) Fuse box
(13) Cigar socket
(14) Maintenance USB port

Table of Contents

Other manuals for Maeda MC815C

Related product manuals