EasyManua.ls Logo

Maeda MC815C - Machine Overview; Specified Operations; Machine Structure

Maeda MC815C
426 pages
Print Icon
To Next Page IconTo Next Page
To Next Page IconTo Next Page
To Previous Page IconTo Previous Page
To Previous Page IconTo Previous Page
Loading...
4
3. MACHINE OVERVIEW
3.1 SPECIFIED OPERATIONS
This machine is to be used for the following operations:
• Crane operation
This machine is a mobile crane mounted on a crawler-type carrier and equipped with a
boom-type crane.
This self-propelled crane is capable of moving (travelling) in the worksite and lifting an object
weighing up to the rated total load.
This crane is also equipped with a remote control system.
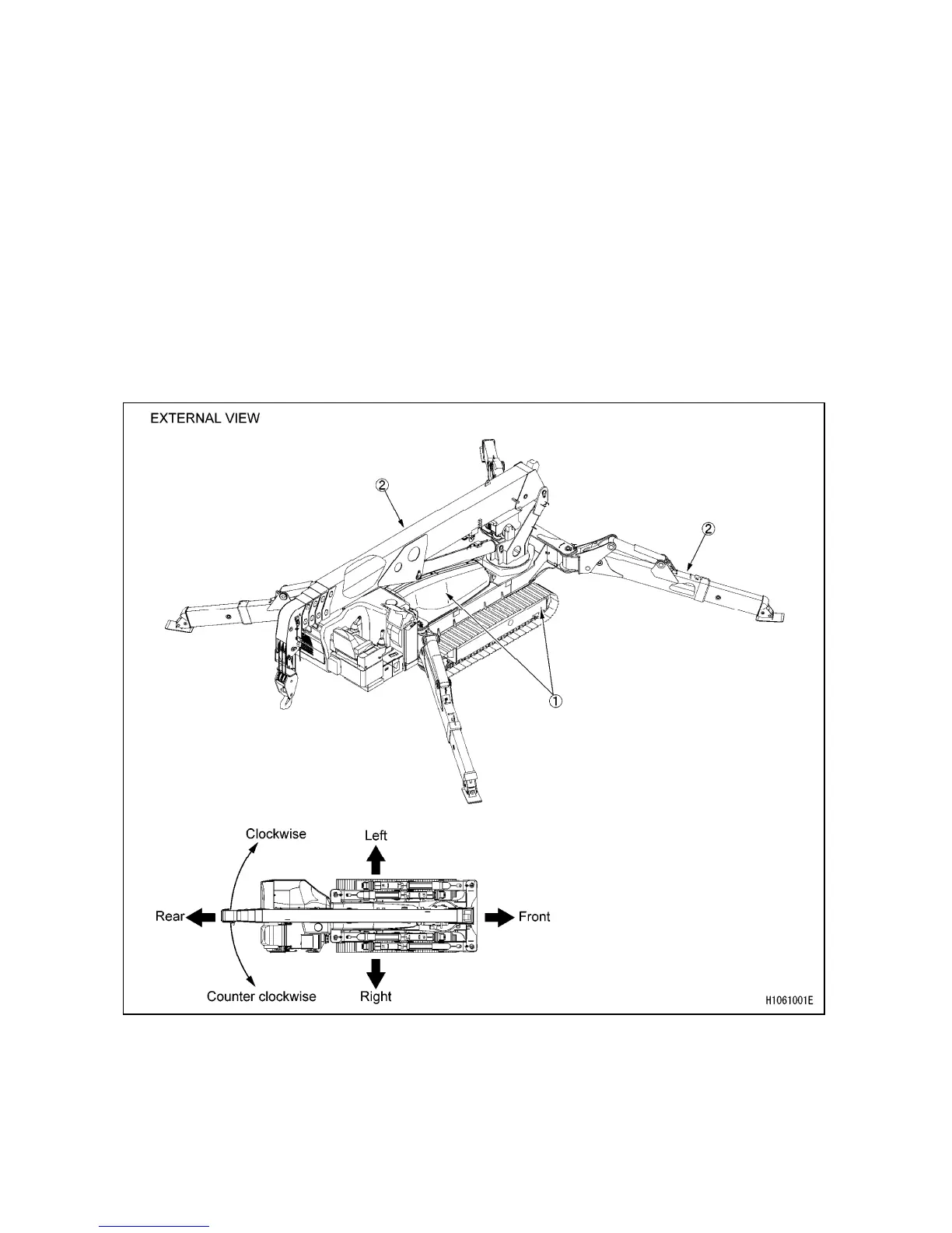
3.2 MACHINE STRUCTURE
(1) Carrier In this manual, the front, rear, right and left of the machine are determined as
viewed from the driver’s seat in the traveling direction (forward) of the machine.
(2) Crane The boom slewing directions (clockwise [right] and counterclockwise [left]) are
determined as viewed from above the machine.

Table of Contents

Other manuals for Maeda MC815C

Related product manuals