EasyManua.ls Logo

Manitowoc Grove GMK4100L-1 - Page 32

Manitowoc Grove GMK4100L-1
1016 pages
Print Icon
To Next Page IconTo Next Page
To Next Page IconTo Next Page
To Previous Page IconTo Previous Page
To Previous Page IconTo Previous Page
Loading...
16.01.2018
28 3 302 710 en Additional pages GMK4100L-1
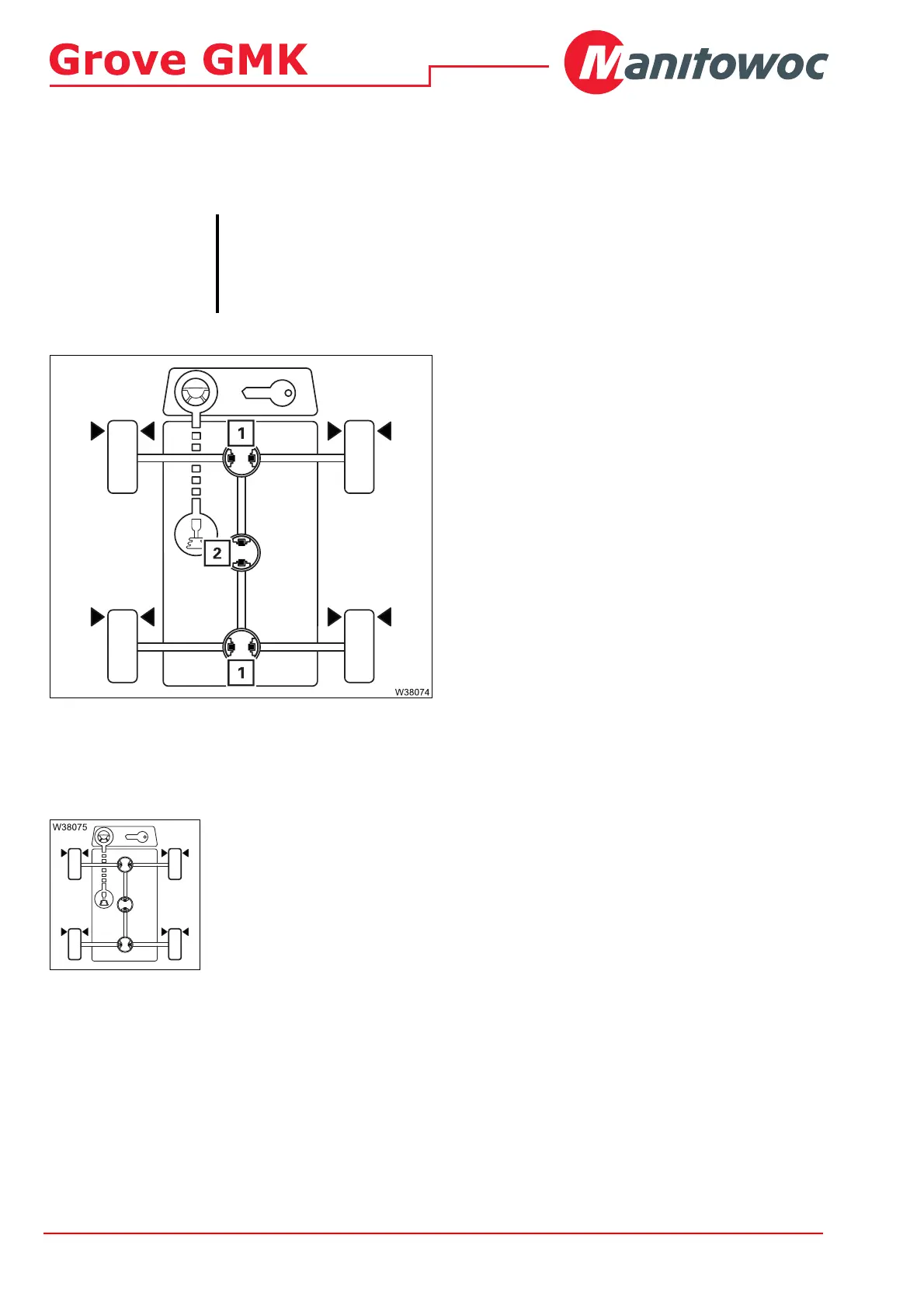
Possible connections
You can make the following connections,
one after the other:
Longitudinal differential locks (2)
Transverse differential locks (1)
The symbols indicate the current switching
state.
Longitudinal/trans-
verse differential
locks
With a 10 x 8 x 10 drive, the drive of the 2nd axle line is switched on and off
together with the longitudinal differential locks.
Straighten the steering.
Stop the truck crane.
For switching on and off, the current speed needs to be under about 5 km/h
(3 mph).
S
Risk of damage to the differential locks
Leave the transverse differential locks switched on only for as long as
necessary. Always switch off the transverse differential locks before driving
on a hard surface!

Table of Contents

Related product manuals