EasyManua.ls Logo

Planmeca ProOne - Wiring Diagram for X-Ray Units with Detachable Power Supply Cord

Planmeca ProOne
195 pages
Print Icon
To Next Page IconTo Next Page
To Next Page IconTo Next Page
To Previous Page IconTo Previous Page
To Previous Page IconTo Previous Page
Loading...
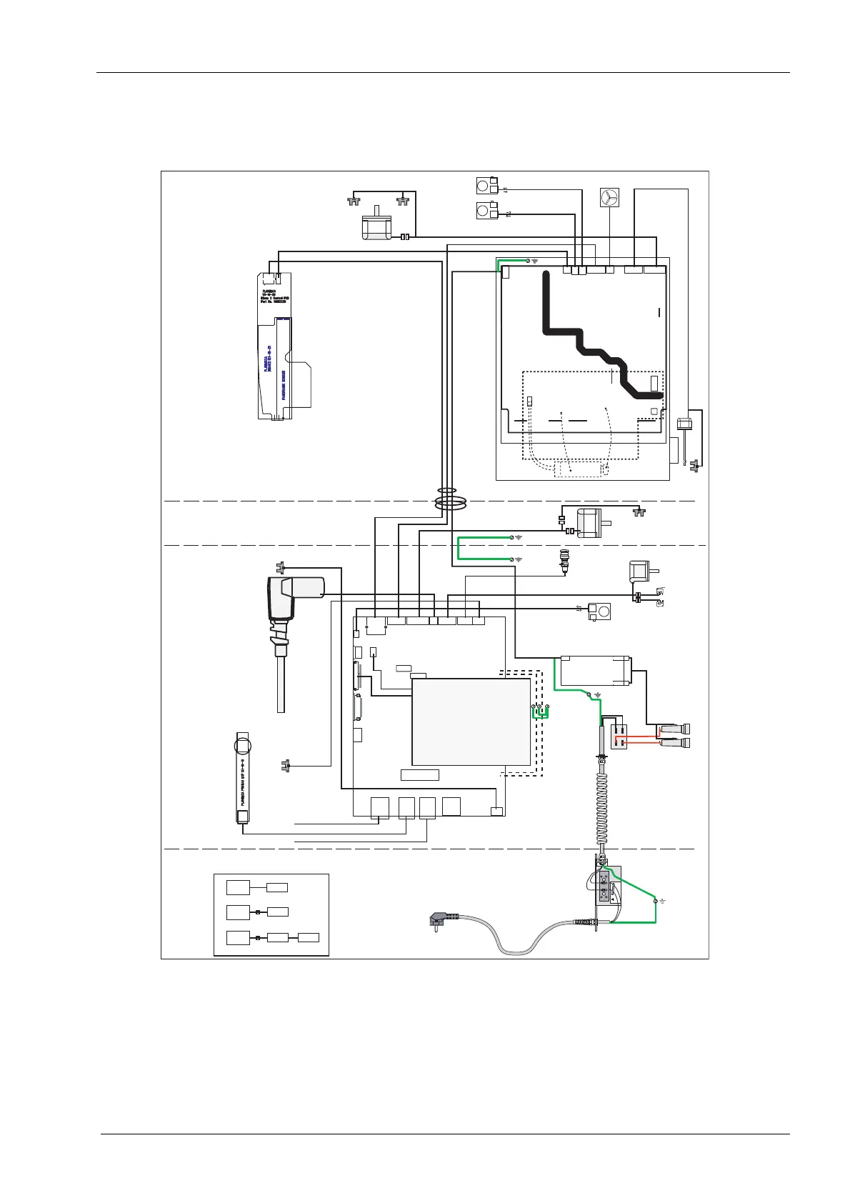
Chapter G: DIAGRAMS 1 WIRING DIAGRAMS
Technical manual Planmeca ProOne 185
1.2 Wiring diagram for X-ray units with detachable power supply cord
Upper Arm
Moving Column
St at i o n ar y Co l u m n
ProOne Wiring Diagram
12.11.2014 LY
Tub eh ead
IMS PCB
7005-10-06
Dimax
Exposure Switch Configurations
Pr o On e
Pr o On e
Pr o On e
EXP sw
Fi xe d
EXP sw
Fi xe d
EXP sw
Fi xe d
EXP sw
10012345
10012346
10015294
10012346
10016305
10012359
10013177
10012365
10012360
1001236110012361
10012358
10012355
10012349
FIL PCB
7005-10-08
10013178
10013828
10012351
10012357
10012363
10012352
10026686
10012347
10012347
10012363
10012353
10012353
10012354
10012354
10012343 EU
10012344 USA
10017649 China
10037466 AUS
L
N
Tem p le
Support
Em e r g e n c y
Sw i t c h
Linear
Motor
Lift
Motor
Pr i m ar y
Sl o t
Motor
Midsagittal Laser
Layer Laser
Fan
Fr an k f or t Laser
Et h e r n e t
Rotation
Motor
Limi t
Se n s o r
10012350
Limit
Se n so r
Exposure Swit ch Cable 10001193
Remote Exposure Option
EXP PCB
121-10-15
Tu be
Feedback&
Fi l am en t
PSU PCB
7005-10-01
J1
CAN
Mains
Collimator
Motor
Rotation
Motor
Layer
Laser
Dim ax
Po w er
Mids
Laser
Fan
Tu be
Po w er
J2 J3 J4 J5 J6 J7 J8
J9
J1 0
J1 3 J1 4 J1 5 J1 6
J1 2
J1 1
10012356
J1
Cam e r a
To uc h
Pan e l
Bac k
Lig ht
Bac k Li gh t
CAN
Lin ear
Motor
Ex p Swi t c hEt h e r n e t USB
Lif t
Motor
Lif t
Upper
Lim it
Lif t
Low er
Lim it
Em e .
Sw .
Tem p le
Motor+
Lim it s
Fr an k
Laser
J2
J1 2
J1 9
J2 0J2 2
Ex p Swi t c h
J2 1J2 3
GUI
CPU PCB
7005-10-02
J1 4
J1 3
J1 1
J1 0
J3 J4
J5
J6
J7
J8
J9
GUI
J1
J2J3
121-10-08
121-10-08
121-10-08
J4 J5
HVR PCB
7005-10-03
(in oil chamber)
X-Ray
Tu be
10012364
10015015

Table of Contents

Other manuals for Planmeca ProOne

Related product manuals