EasyManua.ls Logo

Renesas H8 Series - 6.11 Displaying Local Variables

Renesas H8 Series
697 pages
Print Icon
To Next Page IconTo Next Page
To Next Page IconTo Next Page
To Previous Page IconTo Previous Page
To Previous Page IconTo Previous Page
Loading...
Section 3 Exception Handling
Rev. 7.00 Mar 10, 2005 page 92 of 652
REJ09B0042-0700
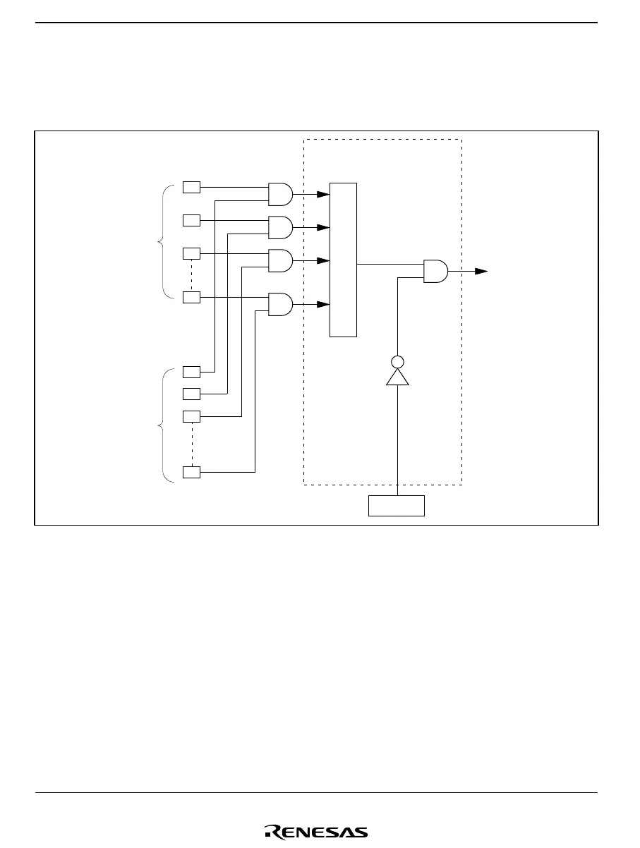
3.3.5 Interrupt Operations
Interrupts are controlled by an interrupt controller. Figure 3.2 shows a block diagram of the
interrupt controller. Figure 3.3 shows the flow up to interrupt acceptance.
Interrupt controller
Priority decision logic
Interrupt
request
CCR (CPU)I
External or
internal
interrupts
External
interrupts or
internal
interrupt
enable
signals
Figure 3.2 Block Diagram of Interrupt Controller
Interrupt operation is described as follows.
• When an interrupt condition is met while the interrupt enable register bit is set to 1, an
interrupt request signal is sent to the interrupt controller.
• When the interrupt controller receives an interrupt request, it sets the interrupt request flag.
• From among the interrupts with interrupt request flags set to 1, the interrupt controller selects
the interrupt request with the highest priority and holds the others pending. (Refer to table 3.2
for a list of interrupt priorities.)
• The interrupt controller checks the I bit of CCR. If the I bit is 0, the selected interrupt request
is accepted; if the I bit is 1, the interrupt request is held pending.

Table of Contents

Other manuals for Renesas H8 Series

Related product manuals