EasyManua.ls Logo

Renesas H8 Series - Page 667

Renesas H8 Series
697 pages
Print Icon
To Next Page IconTo Next Page
To Next Page IconTo Next Page
To Previous Page IconTo Previous Page
To Previous Page IconTo Previous Page
Loading...
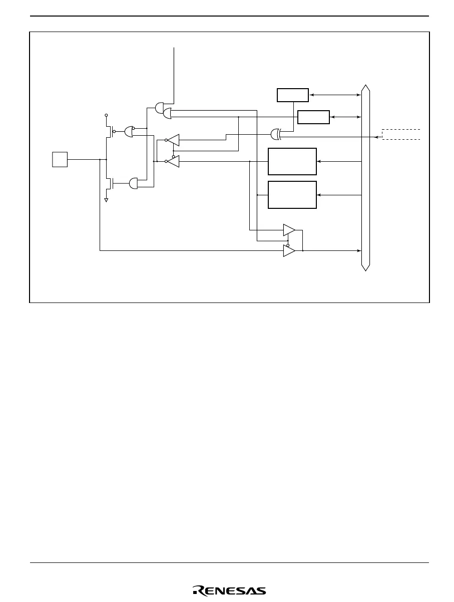
Appendix C I/O Port Block Diagrams
Rev. 7.00 Mar 10, 2005 page 625 of 652
REJ09B0042-0700
P4
2
SCI3 module
Internal data bus
PDR4
2
SCINV3
PCR4
2
SBY
V
SS
PDR4: Port data register 4
PCR4: Port control register 4
TXD32
V
CC
SPC32
Figure C.3(b) Port 4 Block Diagram (Pin P4
2
)

Table of Contents

Other manuals for Renesas H8 Series

Related product manuals