EasyManua.ls Logo

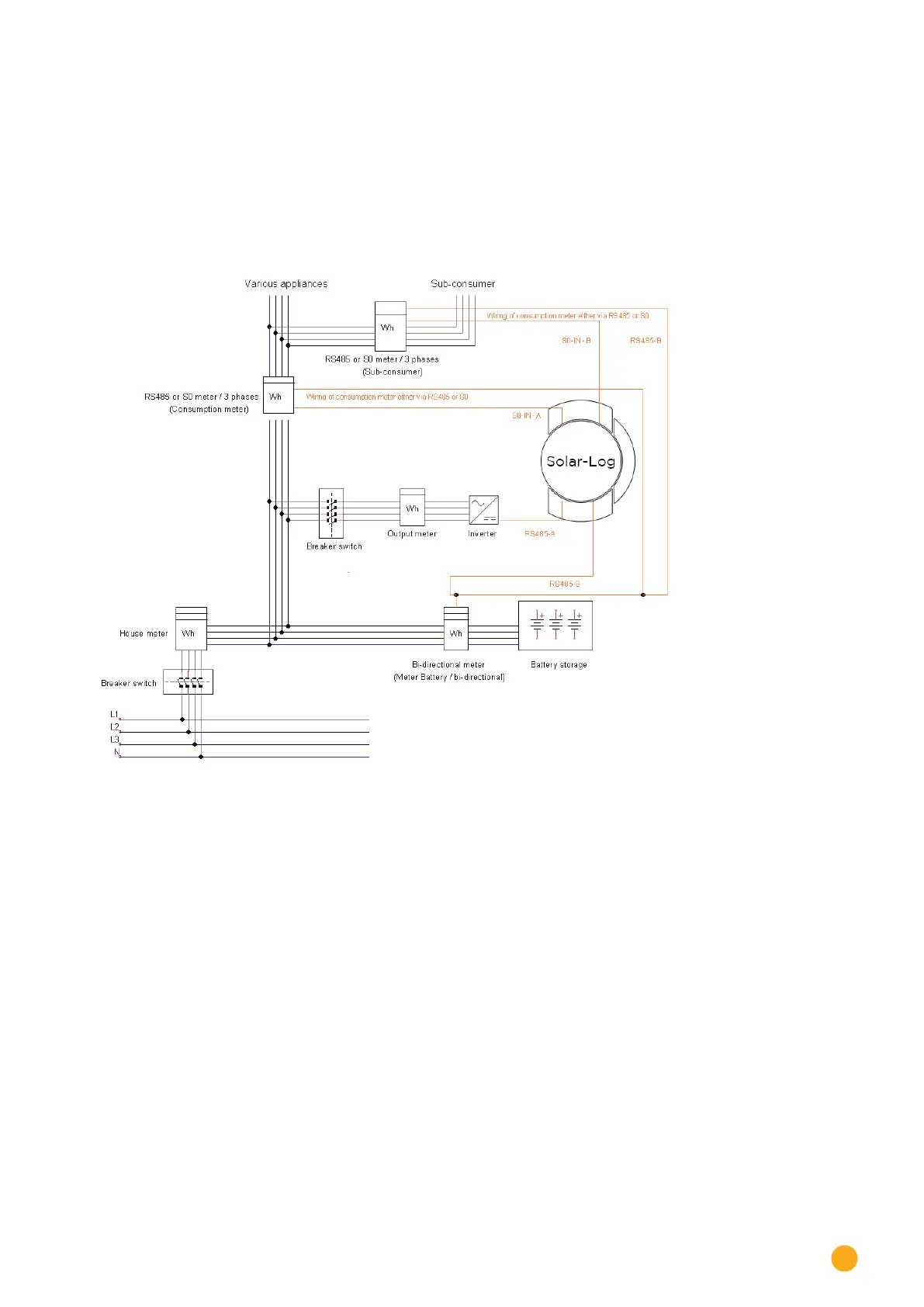
Solare Datensysteme Solar-Log - Fig.: Wiring Diagram to Record Self-Consumption. (Optional with Battery Storage)

Solare Datensysteme Solar-Log
506 pages
Print Icon
To Next Page IconTo Next Page
To Next Page IconTo Next Page
To Previous Page IconTo Previous Page
To Previous Page IconTo Previous Page
Loading...
407
General Information on Wiring
3.3.1 Meterconnectionoptionstorecordthetotalconsumptionviaan
RS485/S0 interface.
This meter has to measure the total consumption of the house.
The meters installed by grid operators, or two-way meters, cannot be used to implement
this function.
Fig.: Wiring diagram to record self-consumption. (optional with battery storage)

Table of Contents