EasyManua.ls Logo

Studer OnAir 2000M2 - Block Diagram V4.0

Studer OnAir 2000M2
449 pages
Print Icon
To Next Page IconTo Next Page
To Next Page IconTo Next Page
To Previous Page IconTo Previous Page
To Previous Page IconTo Previous Page
Loading...
OnAir 2000M2 Digital Mixing Console
1-2 Intro SW V 4.0 Date printed: 12.11.03
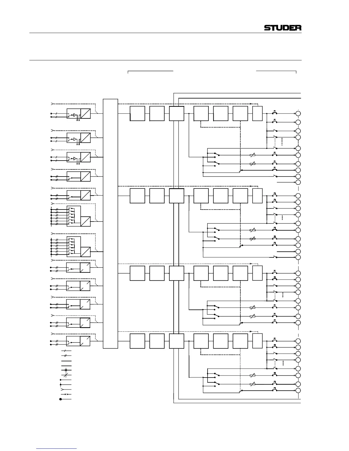
1.1 Block Diagram V4.0
A
PREAMP 1 A
D
D
PREAMP 2
PREAMP 3
D
A
A
D
A
D
DJ MIC 1
GUEST MIC 1
D
D
+
+
+
+
+
INPUT / FADER CHANNELS
STUDIO MIC 1
GUEST MIC 2
STUDIO MIC 2
LINE INP 1
TEL HYBR 1
HL INP 1
LINE INP 2
HL INP 2
TEL HYBR 2
a
a
a
a
a
a
a
a
a
a
AES INP 1
d
d
SFC
+
+
+
AUX 1
AUX 2
PFL
CHANNEL ON
+
TB TO STUDIO
AES INP 2
D
CD 2
d
d
SFC
D
AES INP 3
D
JINGLE
d
d
SFC
D
AES INP 5
AES INP 4
AUTO 1
DAT 1
AUTO 2
DAT2
d
d
d
d
SFC
SFC
D
D
D
D
a
A
D
TB TO CR
+
+
+
+
TB TO STUDIO
TB TO CR
+
+
+
+
+
+
+
+
+
+
+
+
+
+
+
CD 1
INPUTS
BUS
PFL
AUX 2
AUX 1
AUX 2
PFL
AUX 1
AUX 1
PFL
AUX 2
+
+
+
+
+
+
+
+
CHANNEL ON
CHANNEL ON
CHANNEL ON
INSERT
INSERT
INSERT
MONO LINE
STEREO LINE
ANALOG SIGNAL
DIGITAL SIGNAL (AES/EBU)
CONFIG SELECTION
MONITOR SELECTOR
d
a
PF
AF
PF
AF
PF
AF
PF
AF
PF
AF
PF
AF
PF
AF
PF
AF
a
a
a
a
a
TAPE 1
TAPE 2
TT 1
TT 2
EXT 1
EXT 2
ANALOG INP WITH 6-CH SELECTOR (OPTION)
aa
EXT2
EXT1
TT 2
a
a
a
D
A
TT 1
TAPE 1
TAPE 2
a
a
a
a
a
HL INP 3
HL INP 4
CTRL I/O
CTRL I/O
CTRL I/O
CTRL I/O
XLR CONNECTOR
D-TYPE CONNECTOR
DIN MULTIPIN (39p)
BANTAM JACK
AUX 2
AUX 1
N–1 A
N–1 F*
Σ AUDITION
Σ RECORD
Σ PROGRAM
HEADPHONE JACK SOCKET
CTRL I/O
CTRL I/O
CTRL I/O
CTRL I/O
CTRL I/O
CTRL I/O
CTRL I/O
CTRL I/O
* N-1 A and B STANDARD / N-1 C...F OPTIONAL
** MASTER FADER (IF CONFIGURED)
DC REJ
DIG PAD
PHASE
FILTER/
EQ
(INSERT)
FADER
BALANCE
CHANNEL
ON
MUTE
*** IF "PFL CUT ON CHANNEL ACTIVE" IS YES
***
***
***
***
INPUT MATRIX
INPUT MODULES
DC REJ
DIG PAD
PHASE
FILTER/
EQ
(INSERT)
FADER
BALANCE
CHANNEL
ON
MUTE
DC REJ
DIG PAD
PHASE
FILTER/
EQ
(INSERT)
FADER
BALANCE
CHANNEL
ON
MUTE
DC REJ
DIG PAD
PHASE
FILTER/
EQ
(INSERT)
FADER
BALANCE
CHANNEL
ON
MUTE
AUX 2
AUX 1
N–1 A
N–1 F*
Σ AUDITION
Σ
RECORD
Σ PROGRAM
AUX 2
AUX 1
N–1 A
N–1 F*
Σ AUDITION
Σ RECORD
Σ PROGRAM
AUX 2
AUX 1
N–1 A
N–1 F*
Σ AUDITION
Σ RECORD
Σ PROGRAM

Table of Contents

Related product manuals