EasyManua.ls Logo

Studer OnAir 2000M2 - Page 390

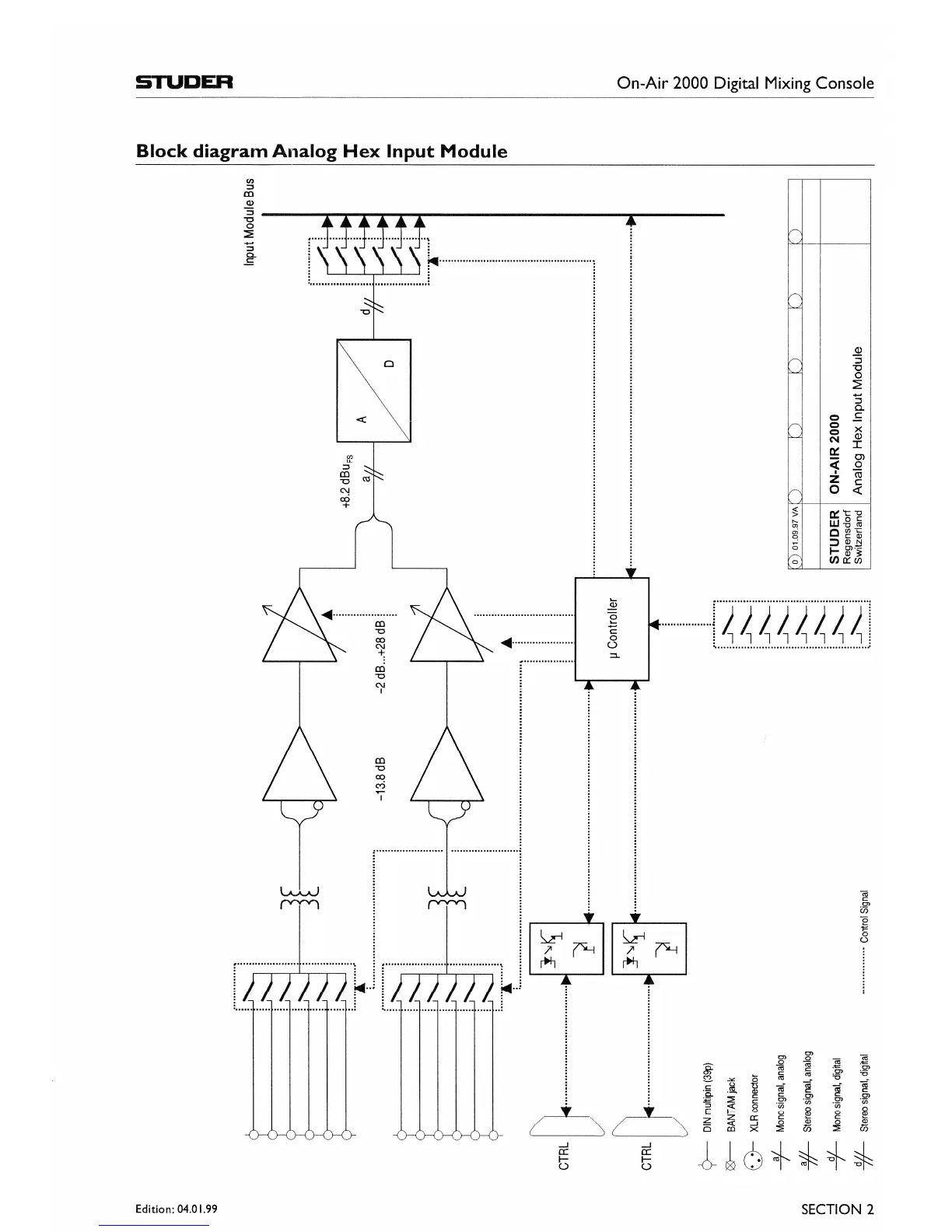
Studer OnAir 2000M2
449 pages
Print Icon
To Next Page IconTo Next Page
To Next Page IconTo Next Page
To Previous Page IconTo Previous Page
To Previous Page IconTo Previous Page
Loading...

Table of Contents

Related product manuals