EasyManua.ls Logo

Textron Jacobsen AR-5 - Mow Circuit Schematic

Textron Jacobsen AR-5
295 pages
To Next Page IconTo Next Page
To Next Page IconTo Next Page
To Previous Page IconTo Previous Page
To Previous Page IconTo Previous Page
Loading...
ELECTRICAL
4181383 First Edition 4-35
4
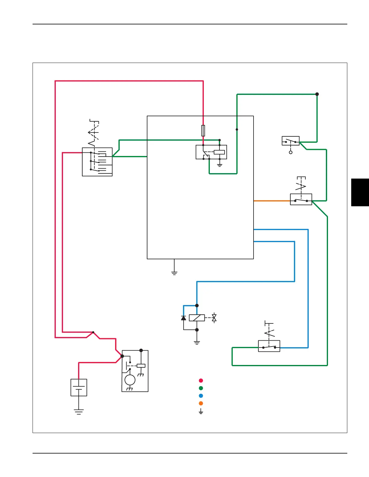
Mow Circuit Schematic
See Figure 4-16.
Figure 4-16
Red
Org/Yel J3-2 Switch Power (+)
Org/Yel
Red
Red
Red
Blk
Red
M1
Starter
Motor
M
S1
Key
Switch
G1
Battery
Org/ Pnk
Red
Red
Red
+
-
8787A 85
8630
Blk
Ground
J3-8
F2
20A
Fuse
J3-6
Seat Switch Input J1-8
Org/
Pnk
J3-5
J4-2 Select 2 Input
A1
Control
Module
Off
Run
Start
A
B
C
D
Pur
Org/
Pnk
On
Off
S3
Seat
Switch
B2
Hydraulic Oil
Level
Switch
Org/
Pnk
Splice 100
Gry/Org
Gry/Yel
Mow Switch Input J1-10
Mow Solenoid Output (+) J3-11
Gry/Yel
Org/Pnk
S10
Mow
Switch
On
Off
Blk
Gry/
Org
Y3
Mow
Solenoid
Interlock Circuit
Switched Power Circuit
Unswitched Power Circuit
Raise Circuit
Ground Circuit
TN1636

Table of Contents

Other manuals for Textron Jacobsen AR-5

Related product manuals