EasyManua.ls Logo

Textron Jacobsen AR-5 - Start and Glow Plug Circuit Schematic

Textron Jacobsen AR-5
295 pages
To Next Page IconTo Next Page
To Next Page IconTo Next Page
To Previous Page IconTo Previous Page
To Previous Page IconTo Previous Page
Loading...
4-24 4181383 First Edition
ELECTRICAL
4
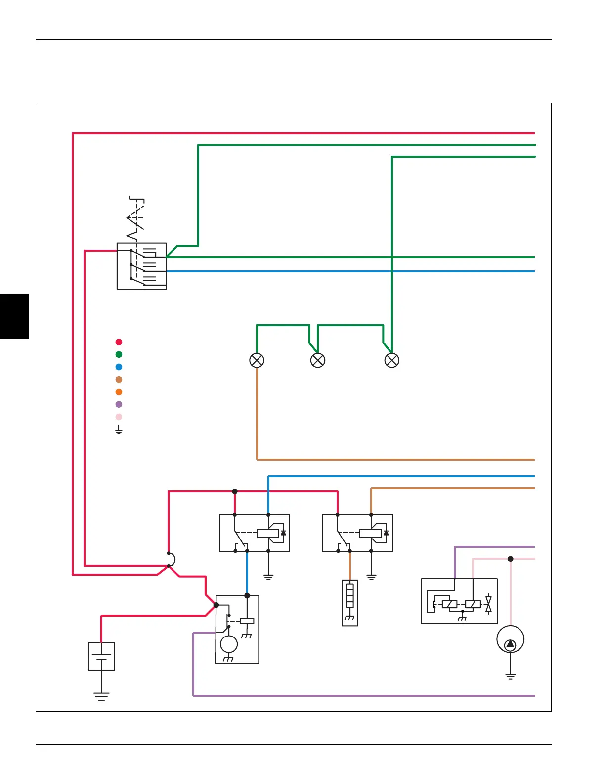
Start and Glow Plug Circuit Schematic
See Figures 4-10 through 4-11.
Figure 4-10
Brn/YelBrn/Yel
8787A 85
8630
Org/
Ye l
Pnk/Blu
Org/Yel
Pnk/Blu
Blk
Org/
Blu
Gry/
Red
Pur/
Wht
Red
Red
Red
Blk
Red
Brn/Yel
Org/Blu Org/Blu
Org/
Blu
Blu/
Blk
Blu/
Wht
Blk
M1
Starter
Motor
K2
Glow
Plug
Relay
K1
Start
Relay
R1
Glow
Plugs
M
S1
Key
Switch
G1
Battery
Org/Yel Org/Yel
Org/Wht
Red
Red
Red Red
+
-
Blk
M
M2
Fuel
Pump
F1
50A
Thermal
Circuit
Breaker
Grn/Yel
WhtWht
Wht
Y1
Fuel
Shutoff
Solenoid
Gry/RedGry/Red
Blu/Wht
Org/Yel
Org/
Wht
Tan/
Blk
H8
Glow
Plug
Light
H9
Hydraulic
Filter
Pressure
Light
Org/
Wht
Org/
Wht
Org/
Wht
8787A 85
8630
Off
Run
Start
A
B
C
D
Org/
Wht
Org/
Wht
H5
Engine
Oil
Pressure
Light
Tan/Blk
Interlock Circuit
Fuel Pull-In Circuit
Fuel Hold-In Circuit
Switched Power Circuit
Unswitched Power Circuit
Start Circuit
Glow Plug Circuit
Ground Circuit
Pull-In Hold-In
TN1645

Table of Contents

Other manuals for Textron Jacobsen AR-5

Related product manuals