EasyManua.ls Logo

Valtra 6550 - Page 180

Valtra 6550
1361 pages
Print Icon
To Next Page IconTo Next Page
To Next Page IconTo Next Page
To Previous Page IconTo Previous Page
To Previous Page IconTo Previous Page
Loading...
173
Model Code Page
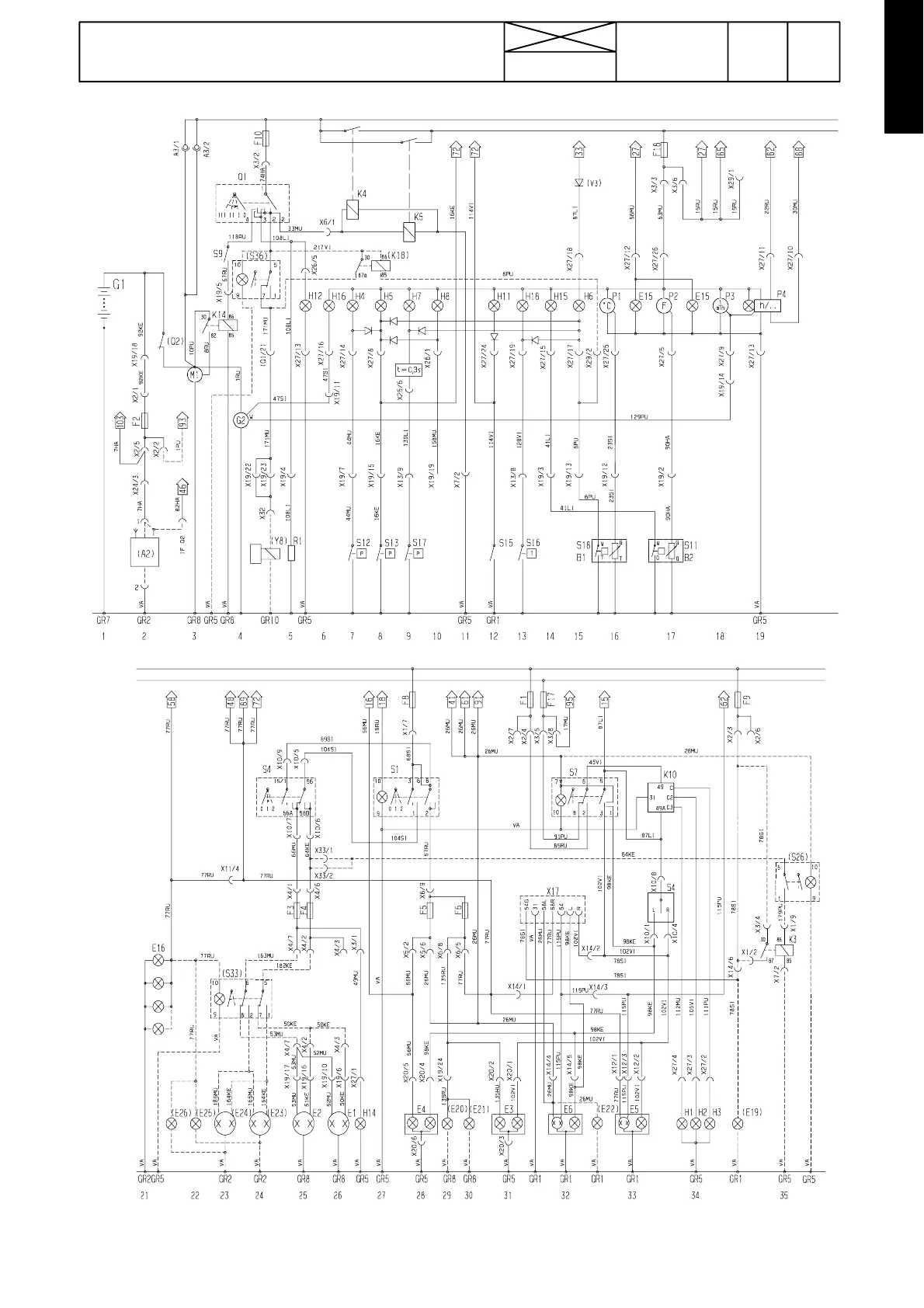
31. Tractor electrical system
15. 4. 1995
6000--8400 310 23
AC2.1---2/6
318 716 40 A
AC2.1---1/6

Table of Contents

Related product manuals