EasyManua.ls Logo

Valtra 6550 - Page 181

Valtra 6550
1361 pages
Print Icon
To Next Page IconTo Next Page
To Next Page IconTo Next Page
To Previous Page IconTo Previous Page
To Previous Page IconTo Previous Page
Loading...
174
Model Code Page
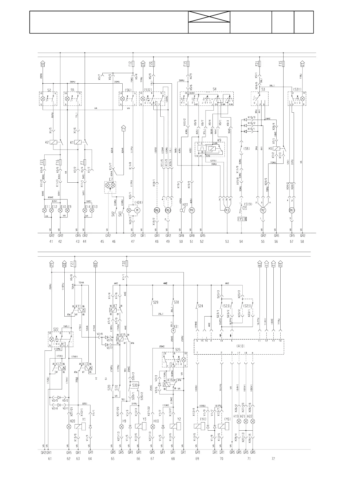
31. Tractor electrical system
15. 4. 1995
6000--8400 310 24
AC2.1---3/6
AC2.1---4/6

Table of Contents

Related product manuals