EasyManua.ls Logo

Valtra 6550 - Page 458

Valtra 6550
1361 pages
Print Icon
To Next Page IconTo Next Page
To Next Page IconTo Next Page
To Previous Page IconTo Previous Page
To Previous Page IconTo Previous Page
Loading...
417
Model Code Page
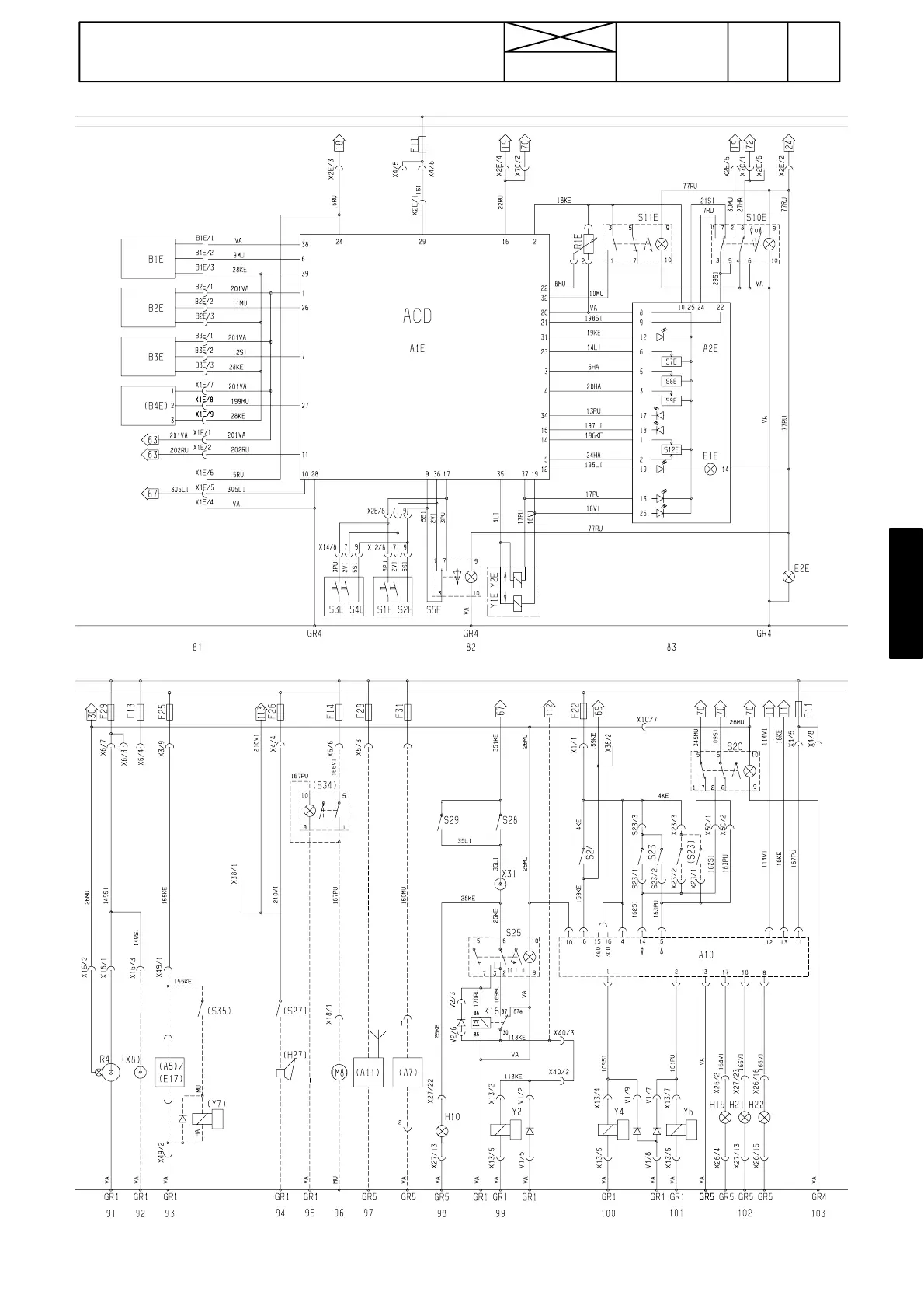
35. Autocontrol IV
1. 4. 1997
6600E-- 8750E
350 33
E5/7
E6/7

Table of Contents

Related product manuals