EasyManua.ls Logo

Valtra 6550 - Page 459

Valtra 6550
1361 pages
Print Icon
To Next Page IconTo Next Page
To Next Page IconTo Next Page
To Previous Page IconTo Previous Page
To Previous Page IconTo Previous Page
Loading...
418
Model Code Page
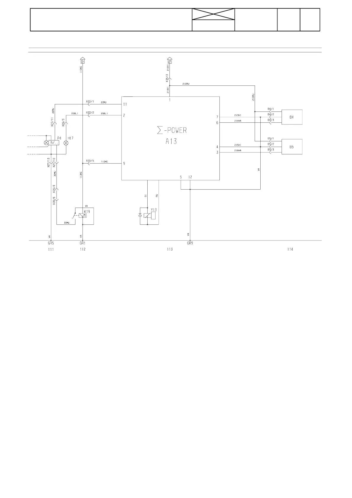
35. Autocontrol IV
1. 4. 1997
6600E-- 8750E
350 34
E7/7

Table of Contents

Related product manuals