EasyManua.ls Logo

wsm M7060 - Page 110

wsm M7060
639 pages
Print Icon
To Next Page IconTo Next Page
To Next Page IconTo Next Page
To Previous Page IconTo Previous Page
To Previous Page IconTo Previous Page
Loading...
GENERAL
M6060, M7060, WSM
G-87
9Y1210828GEG0124US0
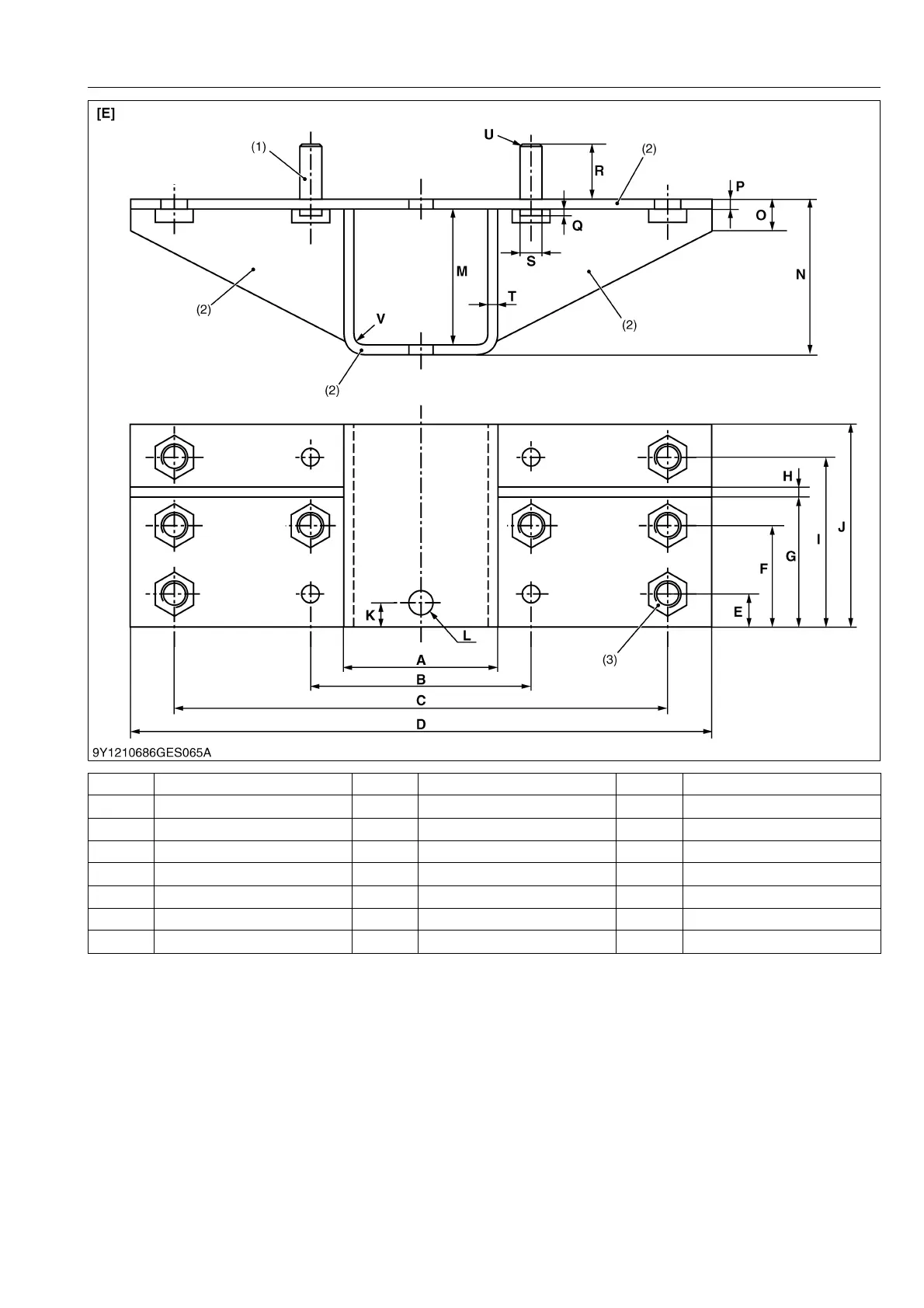
A 70.0 mm (2.76 in.) I 77.0 mm (3.03 in.) P 4.5 mm (0.18 in.)
B 100 mm (3.94 in.) J 92.0 mm (3.62 in.) Q 3.0 mm (0.12 in.)
C 224 mm (8.82 in.) K 11.0 mm (0.433 in.) R 25.0 mm (0.984 in.)
D 264 mm (10.4 in.) M 61.0 mm (2.40 in.) S 10.0 mm dia. (0.394 in. dia.)
E 15.0 mm (0.591 in.) N 64.5 mm (2.54 in.) T 4.5 mm (0.18 in.)
F 46.0 mm (1.81 in.) L 11.0 mm dia. (0.433 in. dia.) U Chamfer 5.0 mm (0.039 in.)
G 59.0 mm (2.32 in.) O 14.5 mm (0.571 in.) V 5.0 mm radius (0.18 in. radius)
H 4.5 mm (0.18 in.)
(1) Material : SGD400 (2) Material : SS400 (3) 8-M12 × 1.25 Nut
KiSC issued 08, 2013 A

Table of Contents

Related product manuals