EasyManua.ls Logo

wsm M7060 - Page 109

wsm M7060
639 pages
Print Icon
To Next Page IconTo Next Page
To Next Page IconTo Next Page
To Previous Page IconTo Previous Page
To Previous Page IconTo Previous Page
Loading...
GENERAL
M6060, M7060, WSM
G-86
9Y1210828GEG0123US0
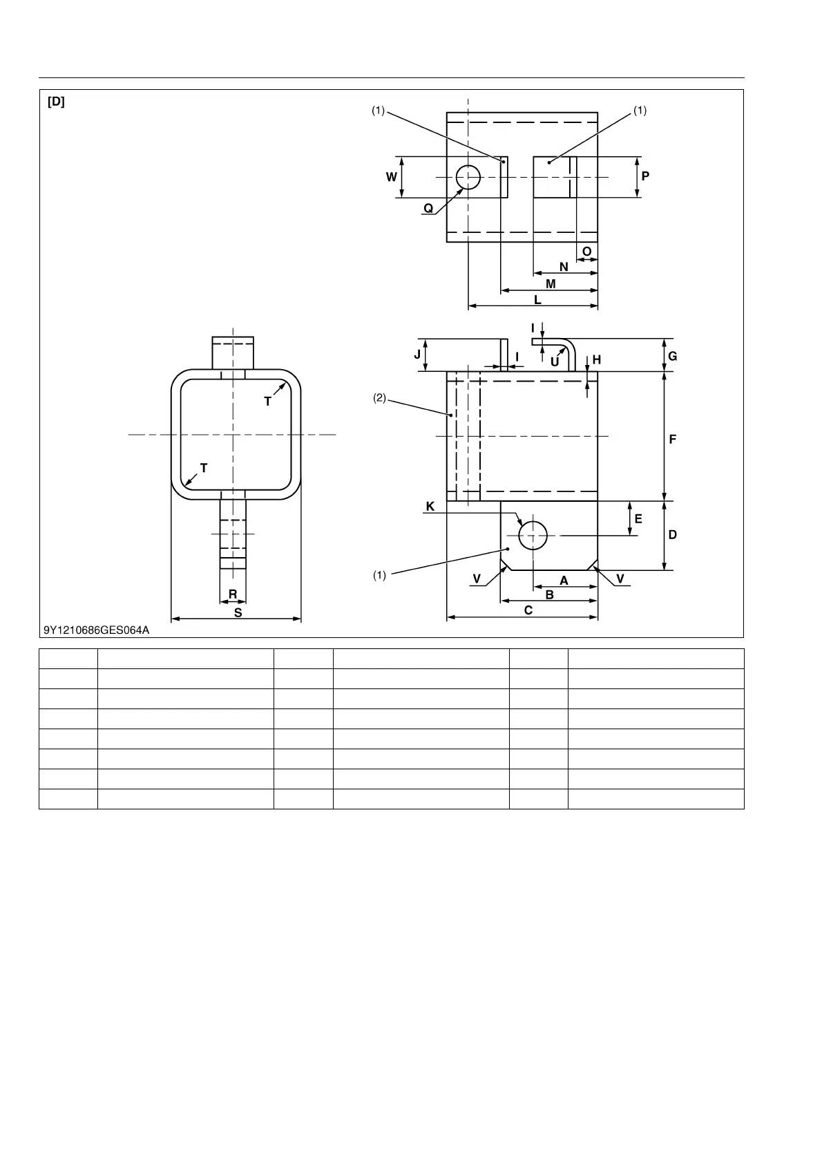
A 30.0 mm (1.18 in.) I 3.2 mm (0.13 in.) Q 11.0 mm dia. (0.433 in. dia.)
B 45.0 mm (1.77 in.) J 15.0 mm (0.591 in.) R 12.0 mm (0.472 in.)
C 70.0 mm (2.76 in.) K 13.0 mm dia. (0.512 in. dia.) S 60.0 mm (2.36 in.)
D 32.0 mm (1.26 in.) L 60.0 mm (2.36 in.) T 4.5 mm radius (0.18 in. radius)
E 16.0 mm (0.630 in.) M 45.0 mm (1.77 in.) U 3.5 mm radius (0.14 in. radius)
F 60.0 mm (2.36 in.) N 30.0 mm (1.18 in.) V Chamfer 5.0 mm (0.20 in.)
G 15.0 mm (0.591 in.) O 10.0 mm (0.394 in.) W 19.0 mm (0.748 in.)
H 4.5 mm (0.18 in.) P 19.0 mm (0.748 in.)
(1) Material : SS400 (2) Material : STKR400
(60 × 60 × t45)
KiSC issued 08, 2013 A

Table of Contents

Related product manuals