EasyManua.ls Logo

Yamaha WaveRunner - Page 248

Yamaha WaveRunner
515 pages
Print Icon
To Next Page IconTo Next Page
To Next Page IconTo Next Page
To Previous Page IconTo Previous Page
To Previous Page IconTo Previous Page
Loading...
6-26
E
JET
PUMP
BEARING HOUSING
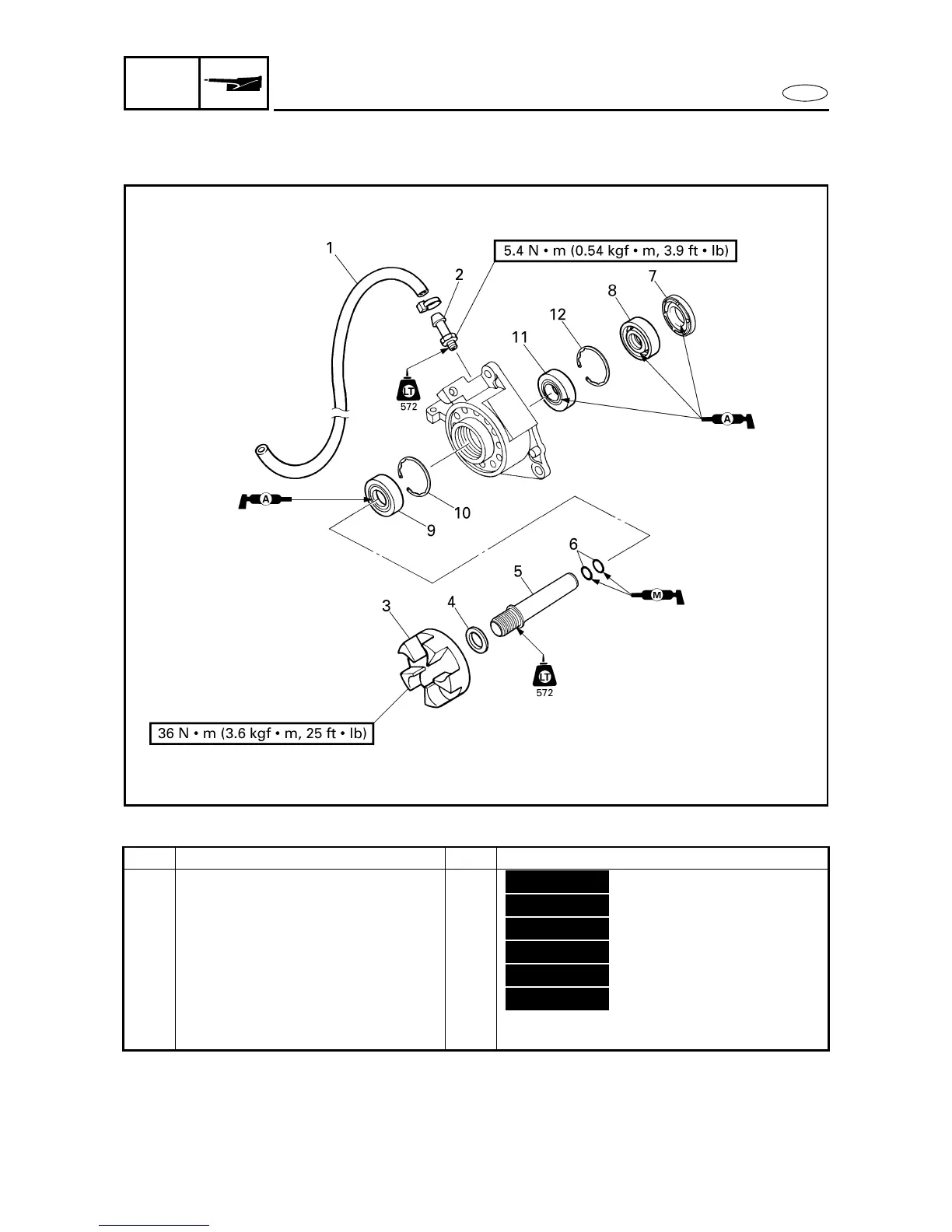
EXPLODED DIAGRAM
Step Procedure/Part name Qty Service points
7 Oil seal 1
8 Oil seal 1
9 Oil seal 1
10 Circlip 1
11 Bearing 1
12 Circlip 1
Reverse the disassembly steps for
assembly.
Not reusable
Not reusable
Not reusable
Not reusable
Not reusable
Not reusable

Table of Contents

Related product manuals