EasyManua.ls Logo

Yamaha WaveRunner - Page 82

Yamaha WaveRunner
515 pages
Print Icon
To Next Page IconTo Next Page
To Next Page IconTo Next Page
To Previous Page IconTo Previous Page
To Previous Page IconTo Previous Page
Loading...
4-4
E
FUEL
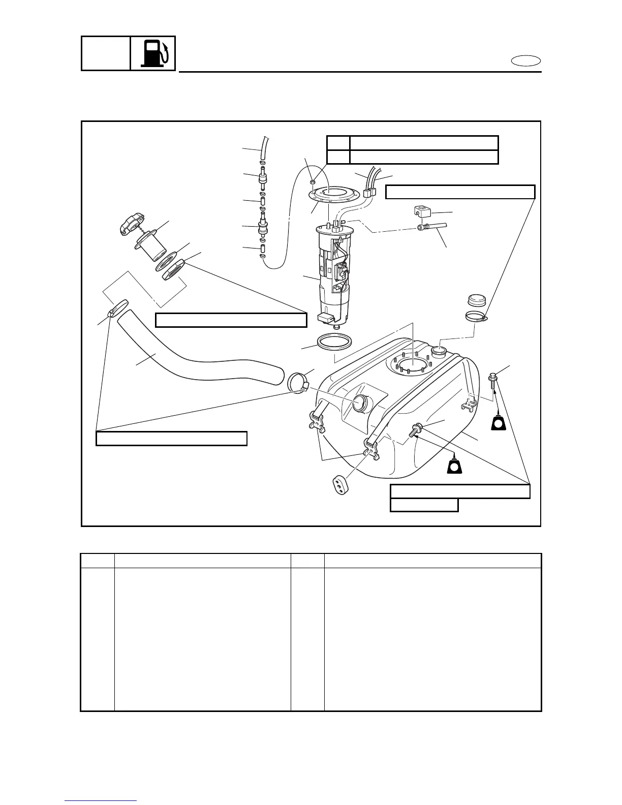
FUEL TANK AND FUEL PUMP MODULE
EXPLODED DIAGRAM
Step Procedure/Part name Qty Service points
13 Hose clamp 2
14 Fuel filler hose 1
15 Nut 1
16 Fuel filler neck 1
17 Rubber seal 1
18 Bolt 2
19 Fuel tank assembly 1
20 Bolt 2
21 Fuel tank belt 2
Reverse the removal steps for installation.
1.3 N
m (0.13
kgf m, 0.9 ft Ib)
8 × 18 mm
16 N
m (1.6
kgf m, 11 ft Ib)
5.9 N m (0.59
kgf
m, 4.3 ft
Ib)
4.2 N m (0.42
kgf
m, 3.0 ft
Ib)
16
17
15
3
2
2
1
7
10
9
4
5
11
8
18
19
20
21
13
12
13
LT
572
LT
572
LT
572
LT
572
2nd 6.4 N
m (0.64
kgf m, 4.6 ft Ib)
1st 3.2 N
m (0.32
kgf m, 2.3 ft Ib)
14
6

Table of Contents

Related product manuals