EasyManua.ls Logo

Yamaha WaveRunner - Page 92

Yamaha WaveRunner
515 pages
Print Icon
To Next Page IconTo Next Page
To Next Page IconTo Next Page
To Previous Page IconTo Previous Page
To Previous Page IconTo Previous Page
Loading...
4-14
E
FUEL
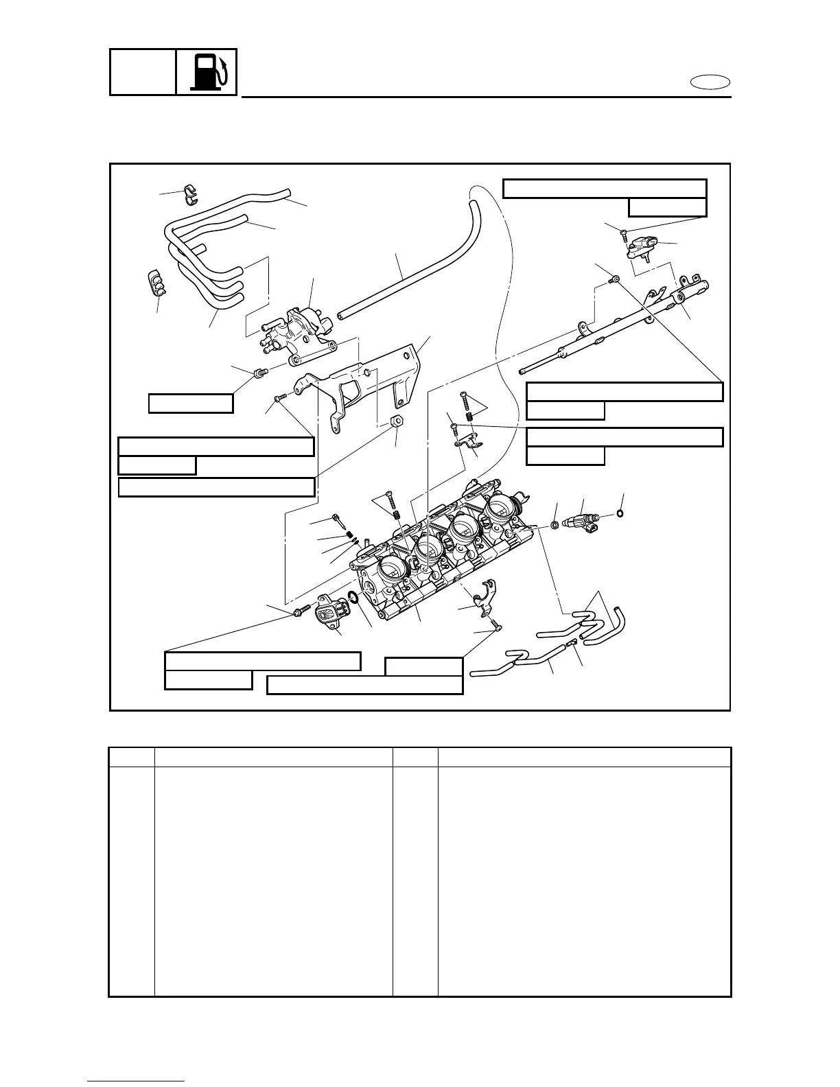
FUEL INJECTION SYSTEM
EXPLODED DIAGRAM
REMOVAL AND INSTALLATION CHART
Step Procedure/Part name Qty Service points
THROTTLE BODY
DISASSEMBLY
Follow the left Step for disassembly.
1Screw 3
2Bracket 1
3 Bolt/nut 2/2
4 Bypass valve motor 1
5 Holder 1
6 Holder 1
7 Hose #4 1
8 Hose #3 1
9 Hose #2 1
10 Hose #1 1
5.0 N
m (0.5
kgf m, 3.6 ft Ib)
6 × 10 mm
5.0 N
m (0.5
kgf m, 3.6 ft Ib)
6 × 9 mm
24
25
26
27
28
29
30
31
32
21
20
15
16
19
17
2.0 N
m (0.2
kgf m, 1.4 ft Ib)
4 × 12 mm
5.0 N
m (0.5
kgf m, 3.6 ft Ib)
6 × 9 mm
15
18
23
24
22
3.5 N
m (0.35
kgf m, 2.5 ft Ib)
5 × 15 mm
13 N
m (1.3
kgf m, 9.4 ft Ib)
5.0 N
m (0.5
kgf m, 3.6 ft Ib)
6 × 10 mm
8 × 18 mm
13
14
11
12
1
3
10
5
6
9
8
4
7
2
3

Table of Contents

Related product manuals