EasyManua.ls Logo

evertz 3025EMC - Figure 3-3: Functional Block Diagram; Figure 3-4: Audio Block Diagram

Default Icon
228 pages
Print Icon
To Next Page IconTo Next Page
To Next Page IconTo Next Page
To Previous Page IconTo Previous Page
To Previous Page IconTo Previous Page
Loading...
3025EMC Master Control Switching & Channel Branding
Revision 3.0.3 Page 31
MADI to AES
AES Rx
3025AP
AES to MADI
Dolby E
Dncoders (4)
Audio de-embedder
Audio Mixer / Shuffler
Video
Mixer
External
Keyer 1
External
Keyer 2
External
Keyer 3
Internal
Logo
Layer
(up to 16)
2 channel DVE
2 channel DVE
Audio Embedder
Storage
MADI to AES
AES to MADI
Switch
MADI to AES
AES to MADI
MADI to AES
AES to MADI
Clean Output 1
AUX Output 1
Program Output
1
Program Output 2
Preview Output 1
Preview Output 2
Program Input
Preset Input
Emergency Input
DVE Background
Input 1
Key 1 Input
Fill 1 Input
DVE Background
Input 2
Key
2
Input
Fill 2 Input
Key 3 Input
Fill 3 Input
Timing
Reference
Control
Ethernet 2
Ethernet 1
LTC In
Serial 1
Serial 2
Serial 3
Serial 4
Serial 5
Serial 6
GPI/GPO
QLink
Voice Over 8
64
AES Rx
Dolby E
Encoders (4)
16
3025EMC-HDSD
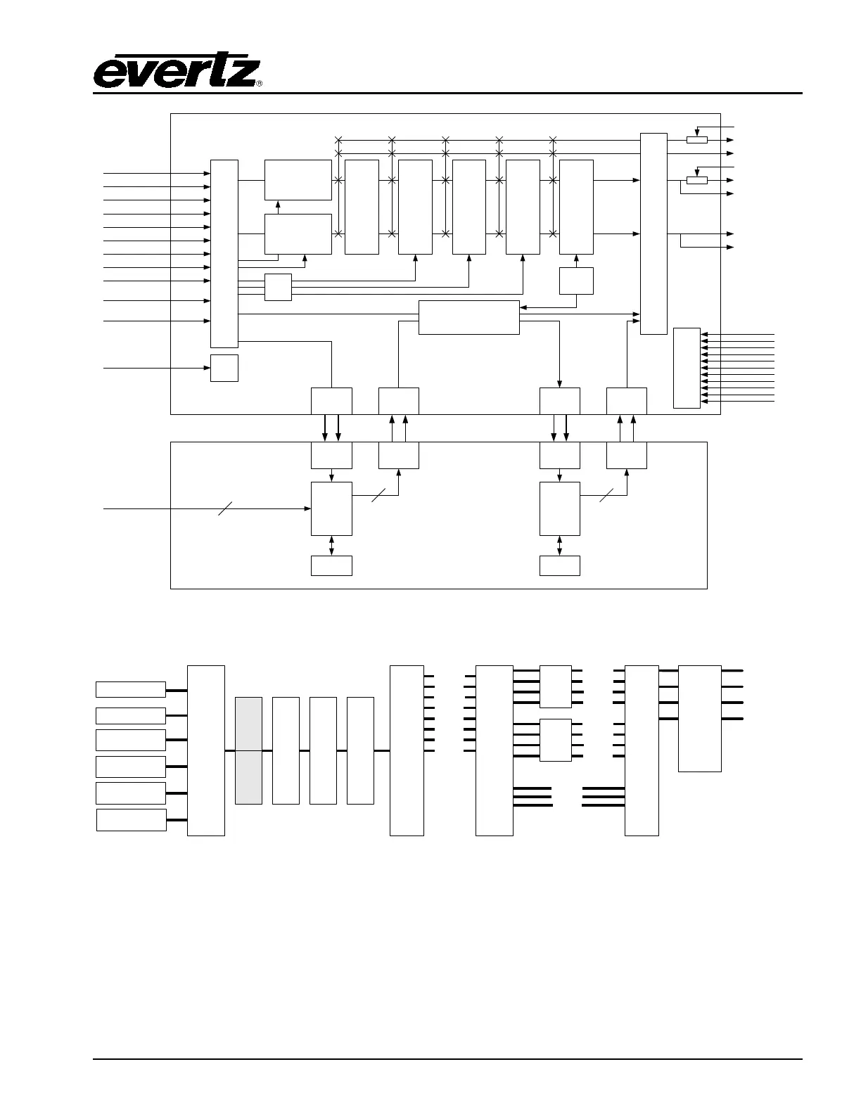
Figure 3-3: Functional Block Diagram
Stero
To
Mono
Input
Delay
Invert
Input
Gain
Mute
On
Error
PGM (16)
PST (16)
EMG (16)
VO1 (16
)
VO2 (16
)
VO3 (16)
VO4 (16)
VO5 (16)Shuffler
De-embedders (7)
Audio Clip
(Logo Store)
MADI 1
(64) or
VO1 (2)
CLN (16)
PVW (16)
PGM (16)
AUX (16)
CLN (16)
PVW (16)
PGM (16)
PVW Video Out
PGM Video Out
MADI 2 (64) or
VO1
(2)
MADI 3 (64) or
VO2 (2)
MADI 4 (64) or
VO2 (2)
Shuffler
CLN (16)
PVW (16)
PGM (
16)
AUX (16)
Output
Delay 1
Output
Delay 2
Mixer
Output
Shuffle
Audio
Embedder
CLN
Video Out
AUX Video Out
Figure 3-4: Audio Block Diagram

Table of Contents

Related product manuals