EasyManua.ls Logo

GE P742 - Breaker and a Half Scheme; Double Busbar Application with Bus Coupler

GE P742
560 pages
Print Icon
To Next Page IconTo Next Page
To Next Page IconTo Next Page
To Previous Page IconTo Previous Page
To Previous Page IconTo Previous Page
Loading...
P74
x/EN AP/Na7
Application Notes
(AP) 6
-50 MiCOM P74
1, P742, P743
AP
P3784ENa
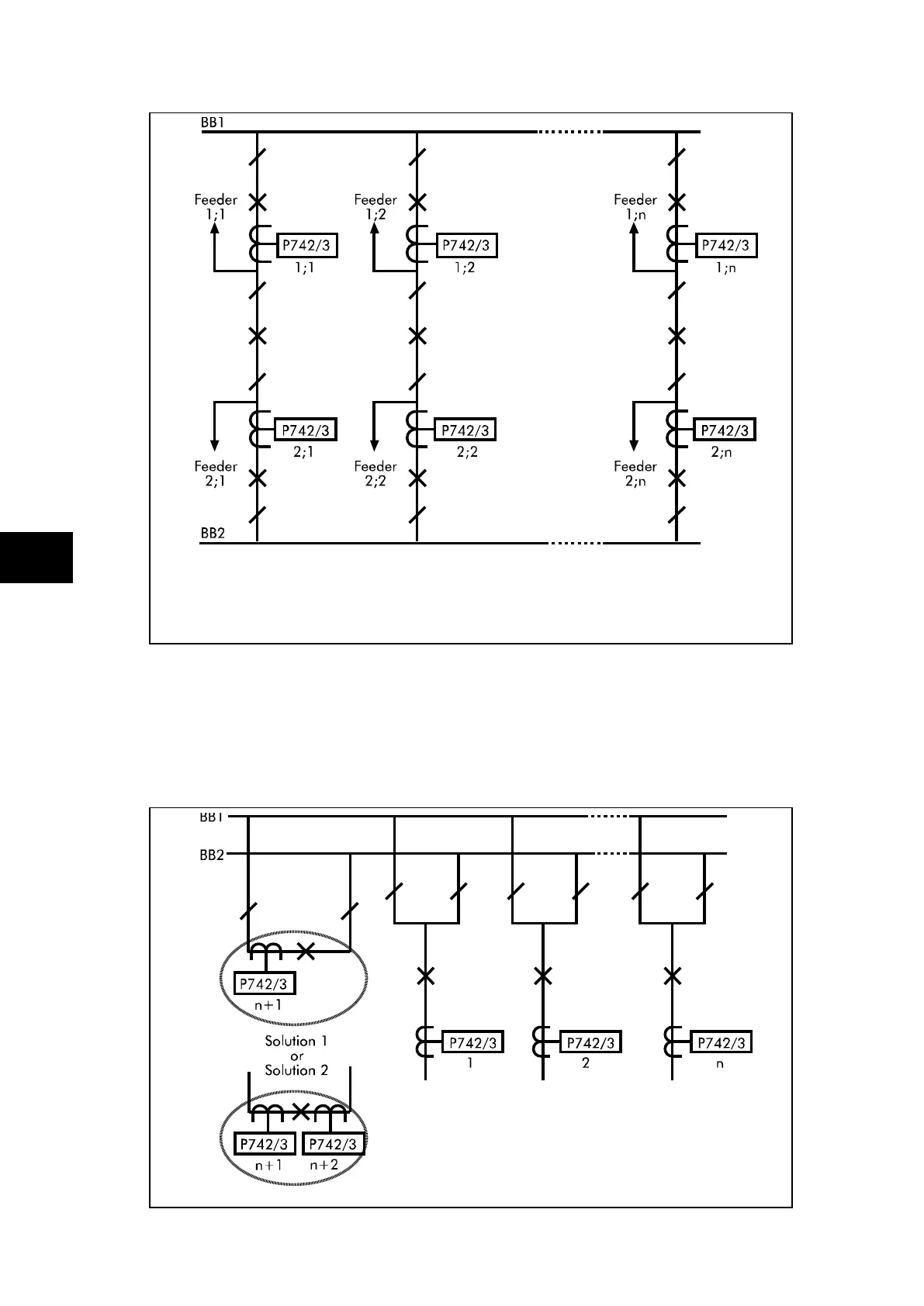
FIGURE 31: BREAKER AND A HALF SCHEME
The above example shows a breaker and a half scheme. The recommended solution is to
have two separate schemes. There are n feeders connected to each busbar.
Each scheme will require 1 central unit and n peripheral units. An other solution is to use
only one central unit and 2 x n peripheral units. The type of peripheral unit used for each
bay will depend on the i/o requirements of the bay in question.
P3785ENa
FIGURE 32: DOUBLE BUSBAR APPLICATION WITH BUS COUPLER

Table of Contents

Related product manuals