EasyManua.ls Logo

GE P742 - Input Board; Transformer Board

GE P742
560 pages
Print Icon
To Next Page IconTo Next Page
To Next Page IconTo Next Page
To Previous Page IconTo Previous Page
To Previous Page IconTo Previous Page
Loading...
Firmware Design
P74x/EN FD/N
a7
MiCOM P74
1, P742, P743
(FD) 9-
13
FD
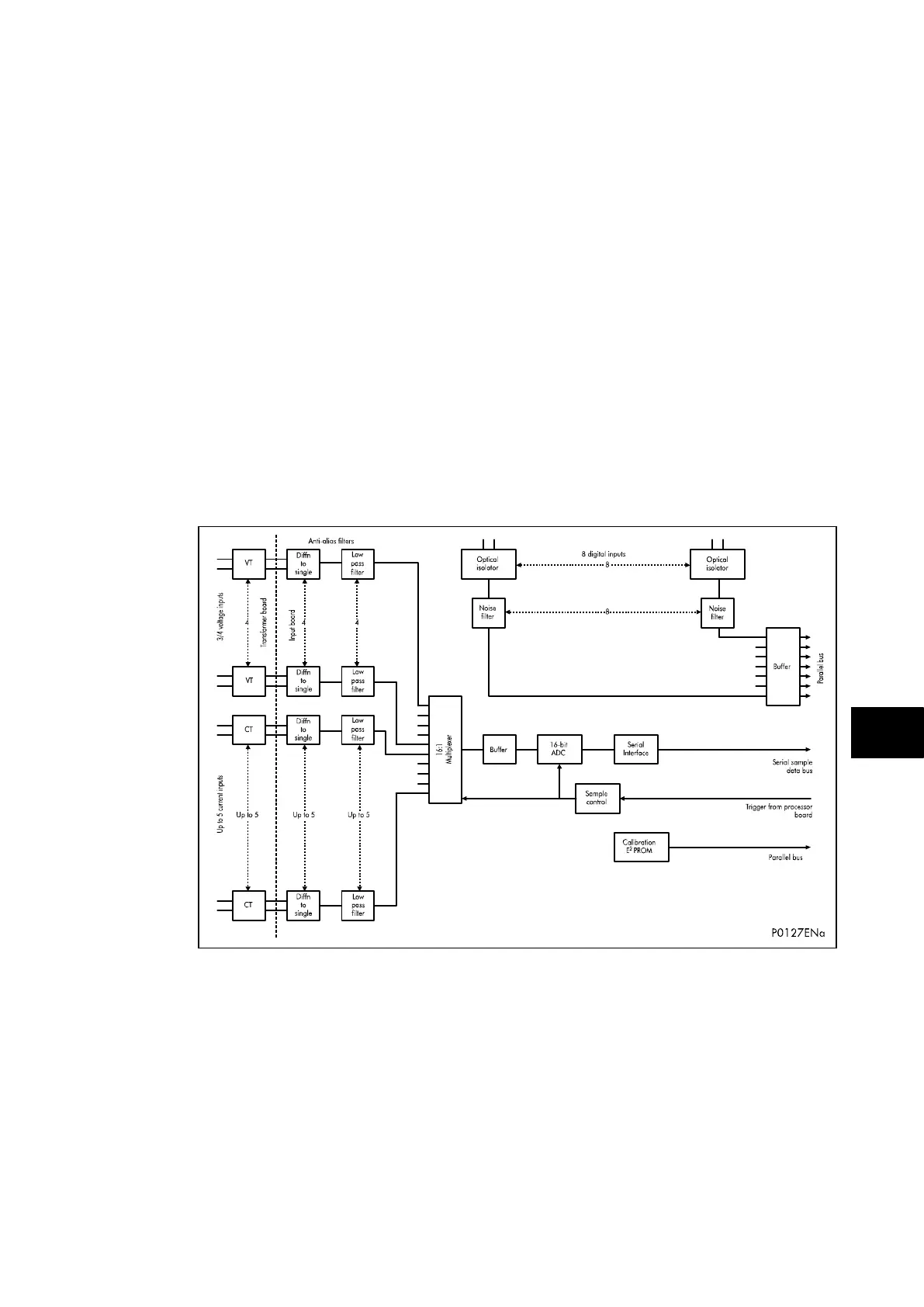
2.5.1 Transformer board
The transformer board holds four voltage transformers (VTs) and four current transformers
(CTs). The current inputs will accept either 1A or 5A nominal current (menu and wiring
options) and the voltage inputs can be specified for either 110V or 440V nominal voltage
(order option). The transformers are used both to step-down the currents and voltages to
levels appropriate to the relay’s electronic circuitry and to provide effective isolation between
the relay and the power system. The connection arrangements of both the current and
voltage transformer secondaries provide differential input signals to the main input board to
reduce noise.
2.5.2 Input board
The main input board is shown as a block diagram in Figure 2. It provides the circuitry for the
digital input signals and the analogue-to-digital conversion for the analogue signals. Hence it
takes the differential analogue signals from the CTs and VTs on the transformer board(s),
converts these to digital samples and transmits the samples to the processor board via the
serial data bus. On the input board the analogue signals are passed through an anti-alias
filter before being multiplexed into a single analogue to digital converter chip. The A - D
converter provides 16-bit resolution and a serial data stream output. The digital input signals
are opto isolated on this board to prevent excessive voltages on these inputs causing
damage to the relay's internal circuitry.
FIGURE 6: MAIN INPUT BOARD
The signal multiplexing arrangement provides for 16 analogue channels to be sampled. The
P74x relay provides 4 current inputs and 4 voltage inputs. 3 spare channels are used to
sample 3 different reference voltages for the purpose of continually checking the operation of
the multiplexer and the accuracy of the A - D converter. The sample frequency is maintained
at 2.4kHz thus at 48 samples per cycle at 50Hz and at 40 samples per cycle at 60Hz. The
calibration E
2
PROM holds the calibration coefficients that are used by the processor board to
correct for any amplitude or phase errors introduced by the transformers and analogue
circuitry.
The other function of the input board is to read the state of the signals present on the digital
inputs and present this to the parallel data bus for processing. The input board holds 8
optical isolators for the connection of up to eight digital input signals. The opto-isolators are
used with the digital signals for the same reason as the transformers with the analogue
signals; to isolate the relay’s electronics from the power system environment. The input

Table of Contents

Related product manuals