EasyManua.ls Logo

GE P742 - Input Module

GE P742
560 pages
Print Icon
To Next Page IconTo Next Page
To Next Page IconTo Next Page
To Previous Page IconTo Previous Page
To Previous Page IconTo Previous Page
Loading...
P74
x/EN FD/Na7
Firmware Design
(FD) 9
-
12
MiCOM P74
1, P742, P743
FD
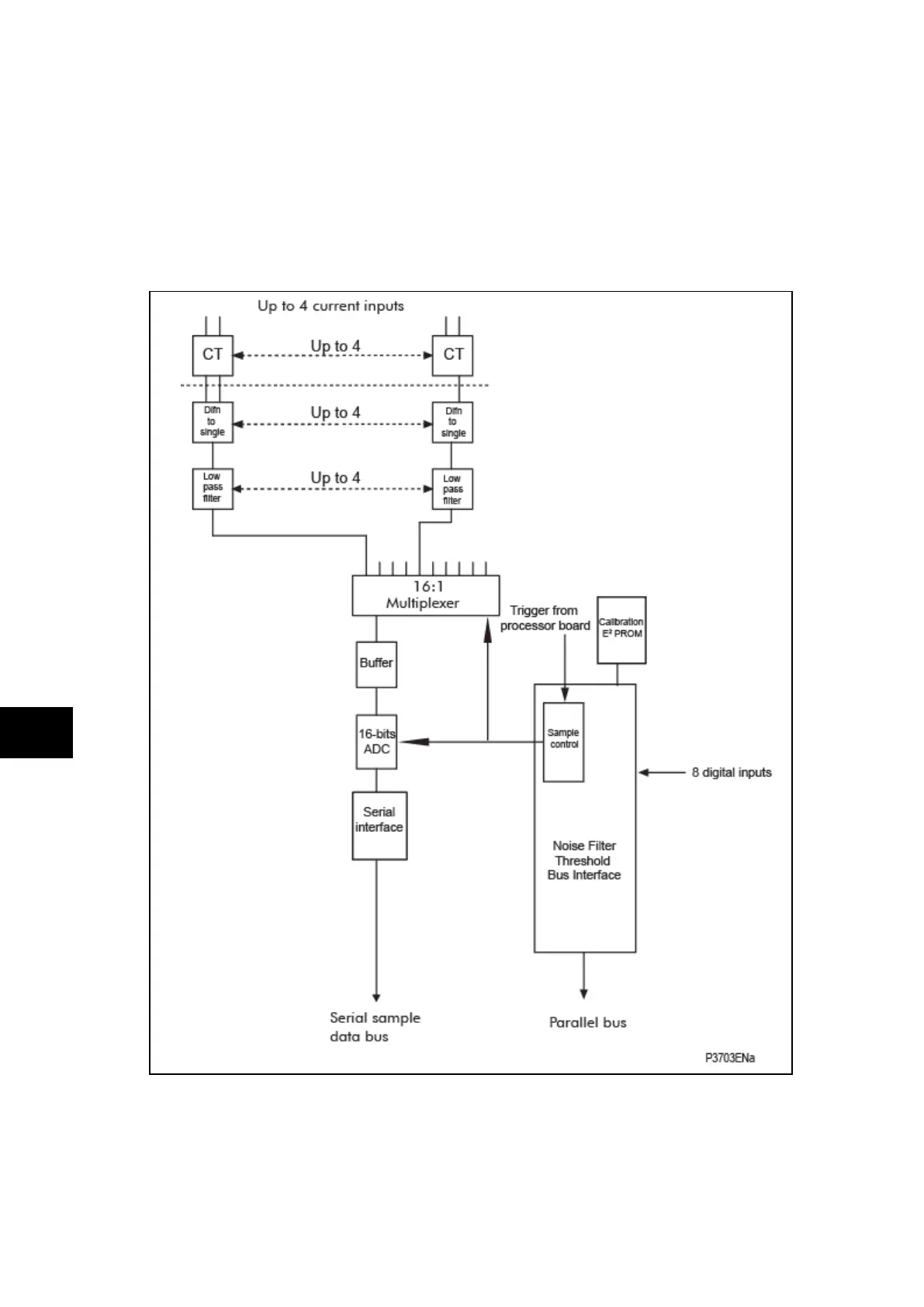
2.5 Input module
The input module provides the interface between the coprocessor board and the analogue
and digital signals coming into the relay. The input module consists of two PCBs; the main
input board and a transformer board.
The P742 and P743 provide four current inputs (3 phases and neutral).
P741 relay don’t use this board.
FIGURE 5: MAIN INPUT BOARD

Table of Contents

Related product manuals