EasyManua.ls Logo

GE P742 - Page 378

GE P742
560 pages
Print Icon
To Next Page IconTo Next Page
To Next Page IconTo Next Page
To Previous Page IconTo Previous Page
To Previous Page IconTo Previous Page
Loading...
Commissioning
P74x/EN CM/Na7
MiCOM P741, P742, P743
(CM) 10-25
CM
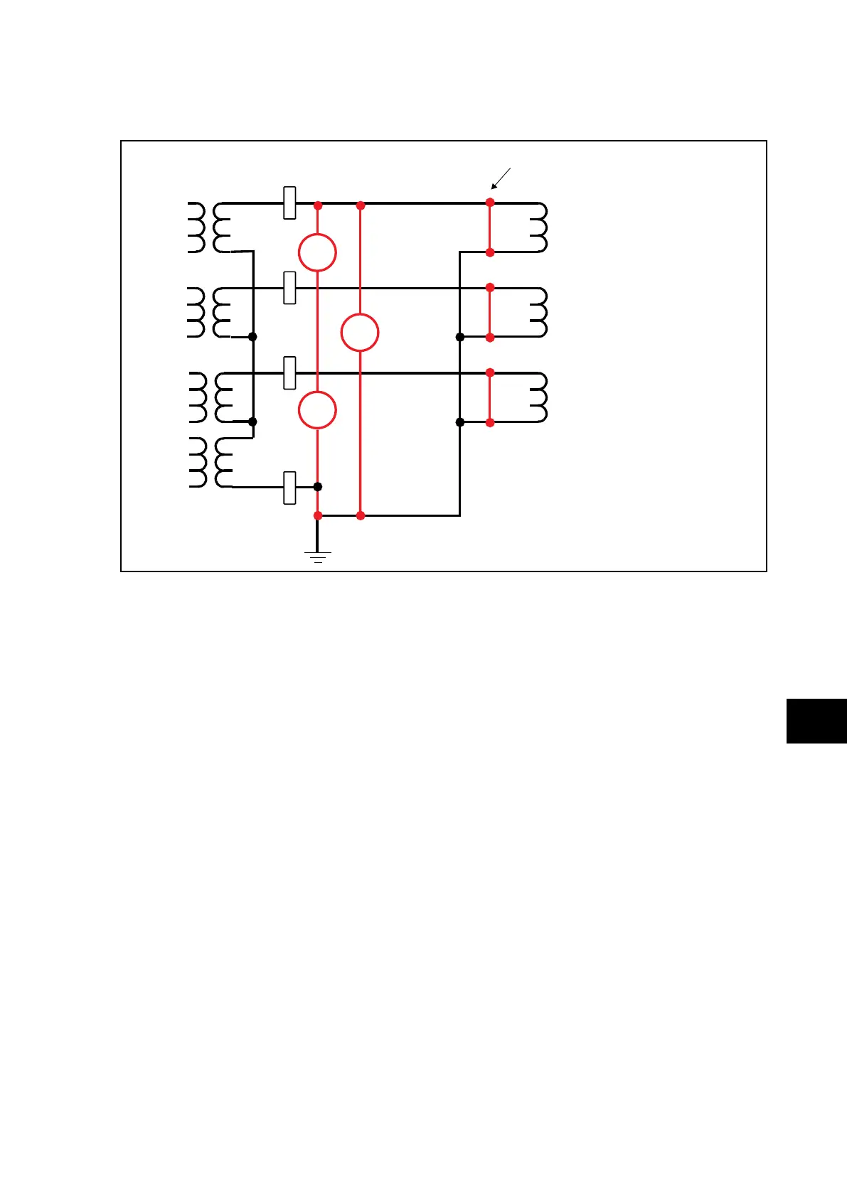
6.2.1 RB
ph
/ RB
N
is close to 1
P3747ENc
V
A
A
B
C
N
CT
A
CT
B
CT
C
Short-circuit of the secondary
winding of t he current transformer
(HV site)
P992 or MMLG
PU
I
A
I
B
I
C
I
N
Insertion of the test block to open current circuit
=
RB
A
= (RAB + RAN
- RBN) / 2
RB
N
= RAN - RB
A
RB
B
= RAB - RB
A
RB
C
= RCN RB
N

Table of Contents

Related product manuals