EasyManua.ls Logo

HI Sec THOR - External Card Readers; THOR Card Reader Description

Default Icon
206 pages
Print Icon
To Next Page IconTo Next Page
To Next Page IconTo Next Page
To Previous Page IconTo Previous Page
To Previous Page IconTo Previous Page
Loading...
THOR Access Control
October 1, 1995 18-006/081-04 GB
20
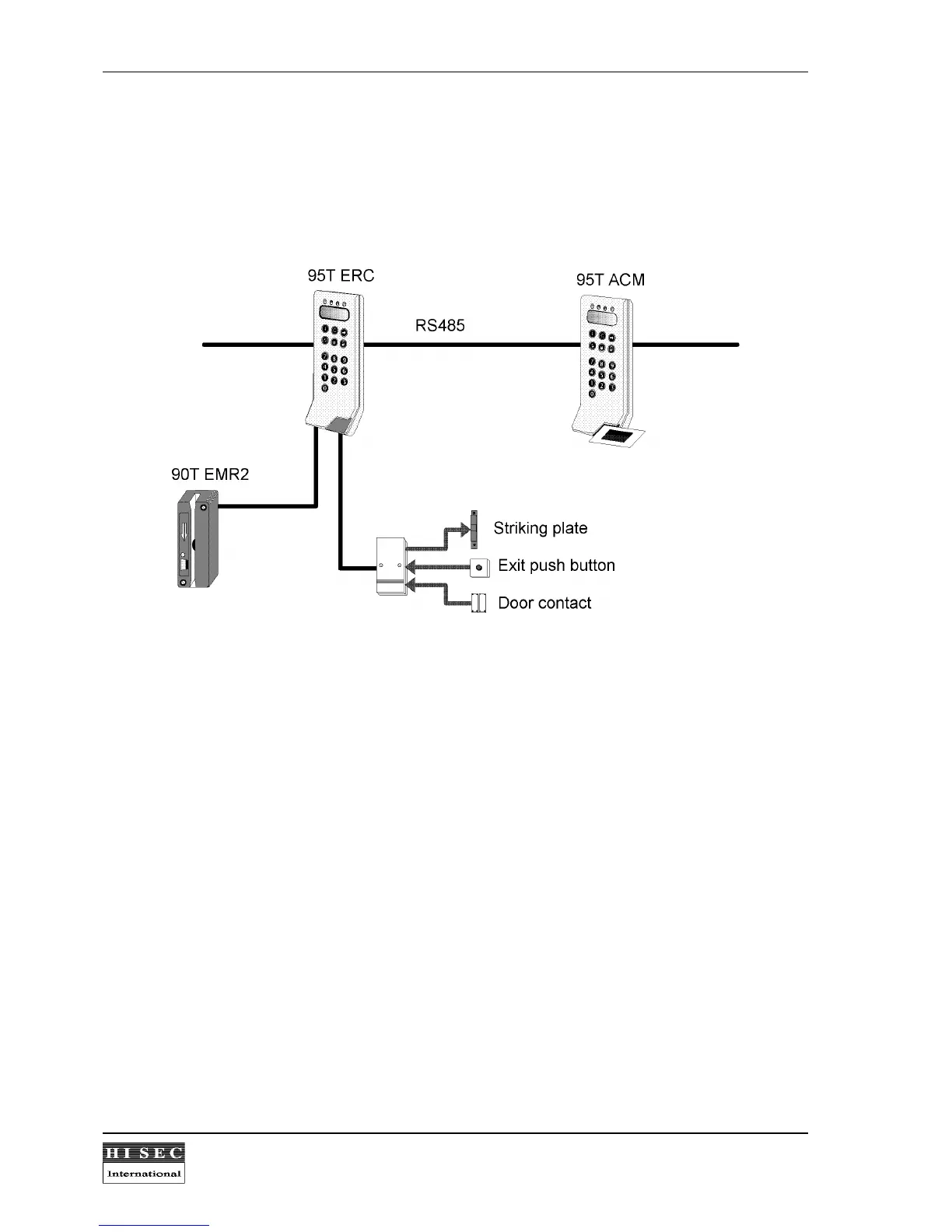
1.2.4 External Card readers
The THOR Access Control System can also use reader heads of different technologies, which are placed up to
50 m away from the controller/terminal. The controller/terminal includes the normal Access Control reader
software. The external reader heads can be Magstripe, Wiegand, Proximity or Hands-free types.
The external reader kits can be used in Stand Alone Systems, Multi Reader Systems or in Integrated Systems.
When the external reader kit is used in an integrated system including a THOR Intrusion system, the terminal
can also be used as an intrusion remote keypad without use of cards.
Like the standard indoor reader S-ART's can be connected to the controller/terminal to control inputs and
outputs. Max. 15 S-ART's can be connected to the built-in S-ART controller.
1.2.5 THOR card reader description.
The THOR card reader is an "intelligent" controller/terminal including S-ART interface for door control, data
base, LCD display, keyboard, status LED's and built-in or separate reader head. All relevant data for cards and
other relevant messages are stored in the data base.
If the reader is integrated in a THOR alarm system or a Multi-reader system and the communication between
the THOR Intrusion CPU and the reader is interrupted, the card reader will continue to take decisions and store
events concerning the access. The database is described in details in the following sections.

Table of Contents