EasyManua.ls Logo

HI Sec THOR - Door Control between Two Busses

Default Icon
206 pages
Print Icon
To Next Page IconTo Next Page
To Next Page IconTo Next Page
To Previous Page IconTo Previous Page
To Previous Page IconTo Previous Page
Loading...
Technical Manual
October 1, 1995 18-006/081-04 GB
59
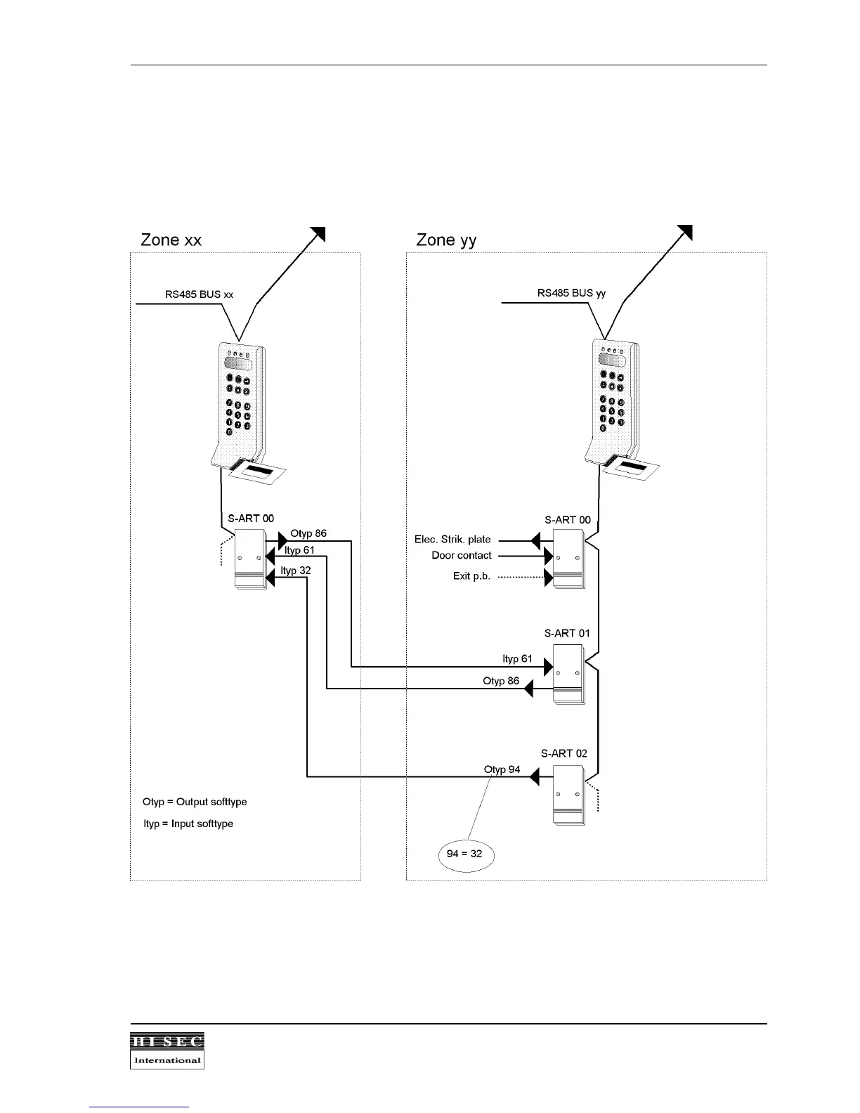
1.10.2 Door control between two busses.
If two readers controlling one door are connected to two different buses a special installation must be made to
monitor and control the door as shown below.
The two readers must be programmed with the same address on each bus.
The function of the softtypes
used for the different inputs / outputs are described below.

Table of Contents