EasyManua.ls Logo

HI Sec THOR - Cotag Proximity; Hands-Free Reader Heads; System Description

Default Icon
206 pages
Print Icon
To Next Page IconTo Next Page
To Next Page IconTo Next Page
To Previous Page IconTo Previous Page
To Previous Page IconTo Previous Page
Loading...
Technical Manual
October 1, 1995 18-006/081-04 GB
83
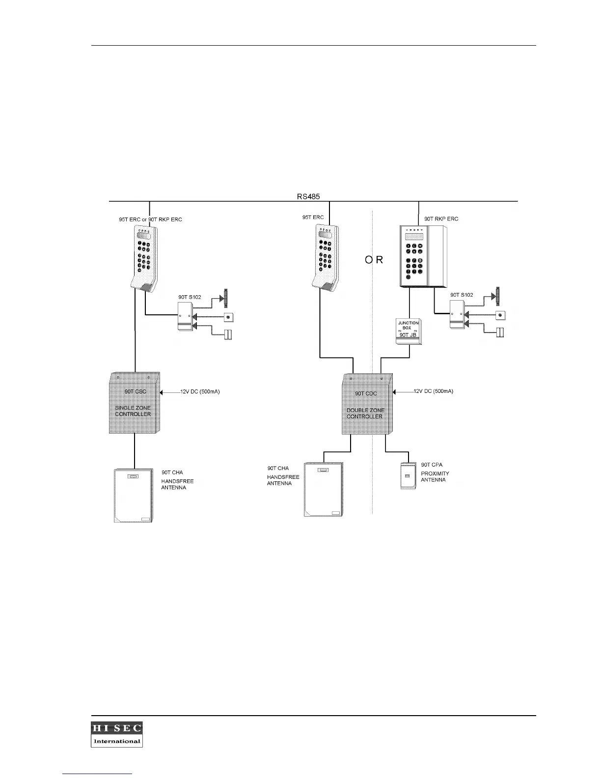
2.6 Cotag Proximity / Hands-free reader heads.
2.6.1 System description.
The THOR Access Control software is compatible with a range of hands-free/proximity Cotag antennas. The
below diagram shows a single door configuration and an Anti Passback door configuration with in/out readers on
the same door.
A single door installation consists of the following materials:
1 Terminal/controller
....... .......................... ............. ............ ............. ............. ............ ..........
95T ERC
1 S-ART for door control
.......................... ............. ............ ............. ............. ............ ..........
90T S102
1 Single zone controller
.......................... ............. ............ ............. ............. ............ ..........
90T CSC
1 Antenna: Proximity range max. 20 cm.
....... ............ ............. ............. ............ ..........
90T CPA
o r
Hands-free range max. 70 cm
..... ............ ............. ............. ............ ..........
90T CHA
For antennas with a longer range as special solution, f.ex. vehicle identification, please consult the sales
department.

Table of Contents