EasyManua.ls Logo

Janus JFS-A1 - Class A, Style 6 Wiring Configuration

Janus JFS-A1
125 pages
Print Icon
To Next Page IconTo Next Page
To Next Page IconTo Next Page
To Previous Page IconTo Previous Page
To Previous Page IconTo Previous Page
Loading...
Page: 14
JFS-A1 INSTALLATION, OPERATION, AND INSTRUCTION MANUAL
Document #: DOC230
Issued: August 27, 2012
Revised: N/A
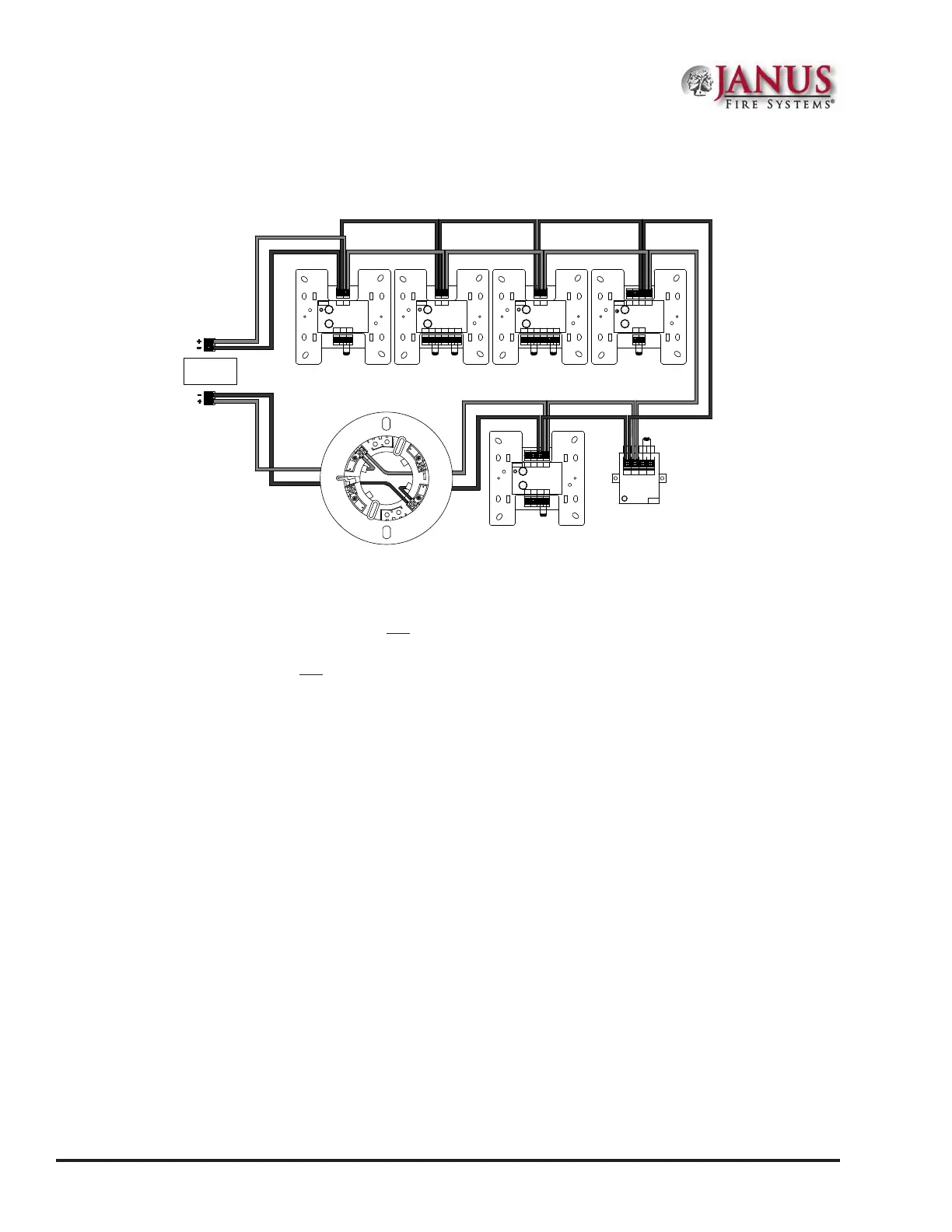
ClassA,Style6WiringConguration
Figure 8. Example of Class A, Style 6 Requiring CA-6075
S- S+ C
NO
(NC)
Potter Electric Signal Company
Miniature Contact Module
Model No. MCM
Ser. No. xxxxxx
Document:
TN51314e date: XX.XX.2009
WARNING:
All Terminals are power limited
Address No.
SIGNALING
LISTED
L
U
FIRE ALARM EQUIPMENT
XXXX
Address No.
Potter Electric Signal Company
SIGNALING
LISTED
L
U
FIRE ALARM EQUIPMENT
XXXX
24-
Address No.
Potter Electric Signal Company
FIRE ALARM EQUIPMENT
XXXX
Address No.
Potter Electric Signal Company
FIRE ALARM EQUIPMENT
XXXX
Address No.
Potter Electric Signal Company
FIRE ALARM EQUIPMENT
XXXX
Address No.
Potter Electric Signal Company
FIRE ALARM EQUIPMENT
XXXX
24+ S- S+
Monitored Output Module
Model No. MOM-4
Ser. No. xxxxxx
A-
A+
Document: TN51318e date:XX.XX.2009
WARNING :
Power supply for terminals 24+ and 24- must
be power limited.
All Terminals are power limited.
NC2 C2 NO2 NC1 C1 NO1
S-
Twin Relay Module
Model No. TRM-4
Ser. No. xxxxxx
Document: TN51317e date:XX.XX.2009
WARNING :
Terminals S+, S- are power limited.
Terminals NO1, C1, NC1, NO2, C2, NC2 are
non power limited
S+
Single Contact Module
Model No. SCM-4
Ser. No. xxxxxx
Document: TN51315e date:XX.XX.2009
WARNING :
All Terminals are power limited.
S- S+
Z NO C
24- 24+ S- S+
B- B+ A- A+
Conventional Initiating Zone Module
Model No. CIZM-4
Ser. No. xxxxxx
Document: TN51313e date:XX.XX.2009
Compatibility Identier: INTE01
WARNING :
Power supply for terminals 24+ and 24- must
be power limited
All Terminals are power limited.
S- S+
Z2 C2 Z1 C1
NO2
(NC2)
NO1
(NC1)
Dual Contact Module
Model No. DCM-4
Ser. No. xxxxxx
Document: TN51316e date:XX.XX.2009
WARNING :
All Terminals are power limited.
SIGNALING
LISTED
L
U
SIGNALING
LISTED
L
U
SIGNALING
LISTED
L
U
SIGNALING
LISTED
L
U
PFC-6000
Series
SLC Loop (Class A)
Terminal Connections
3
6
7
8
5.1kΩ 5.1kΩ 5.1kΩ 5.1kΩ 5.1kΩ 5.1kΩ
5.1kΩ
5.1kΩ
DWG #593-8
Notes:
1. e Class A, Style 6 conguration does not provide the level of protection as ClassA, Style7.
2. Class A, Style 7 requires installation of a CA-6075.
3. e use of a SCI or AIB is not required.
4. e SLC connection requires that the wires are separated 10’, installed in conduit or other mechanical
protection.
5. Maximum wiring resistance must not exceed 50 ohms.

Table of Contents