EasyManua.ls Logo

LSIS XDL-L7SA002X - 3 Wiring Method

LSIS XDL-L7SA002X
275 pages
Print Icon
To Next Page IconTo Next Page
To Next Page IconTo Next Page
To Previous Page IconTo Previous Page
To Previous Page IconTo Previous Page
Loading...
3. Wiring Method
3-1
3 Wiring Method
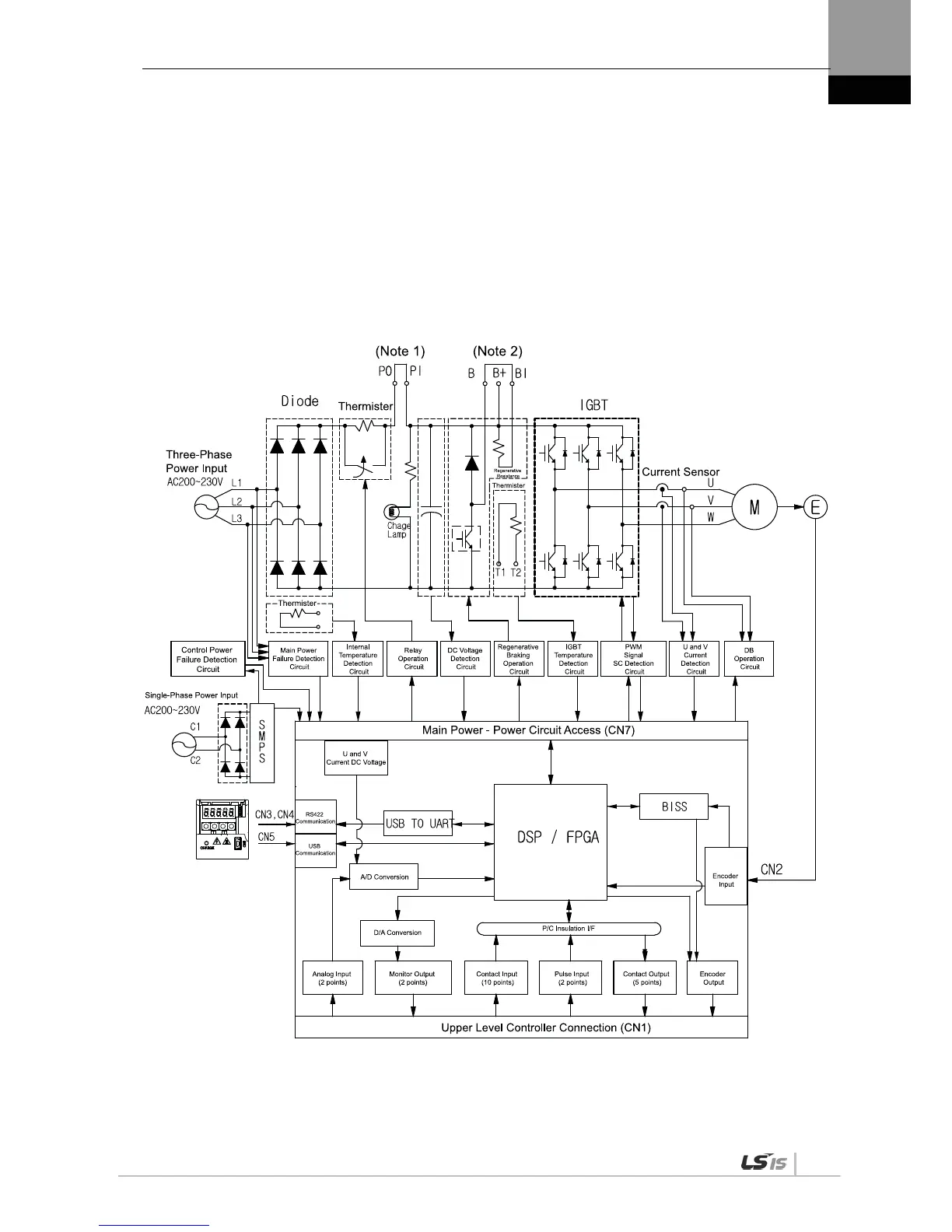
3.1 Internal Block Diagram
3.1.1 XDL-L7 Drive Block Diagram [XDL-L7SA001 -
XDL-L7SA004]
If you use a DC reactor, connect to the PO and PI pins.
If you use external regenerative resistance, connect to the B+ and B pins after removing the B and BI short-
circuit pins.

Table of Contents

Related product manuals