EasyManua.ls Logo

LSIS XDL-L7SA002X - Example of Connecting to PLC

LSIS XDL-L7SA002X
275 pages
Print Icon
To Next Page IconTo Next Page
To Next Page IconTo Next Page
To Previous Page IconTo Previous Page
To Previous Page IconTo Previous Page
Loading...
3. Wiring Method
3-10
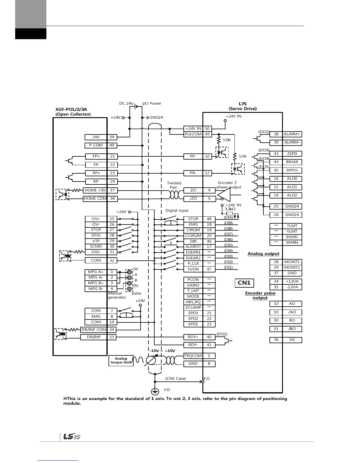
3.3 Example of connecting to PLC
3.3.1 XGT PLC
1. XGF-PO1/2/3A (Open Collector)

Table of Contents

Related product manuals