EasyManua.ls Logo

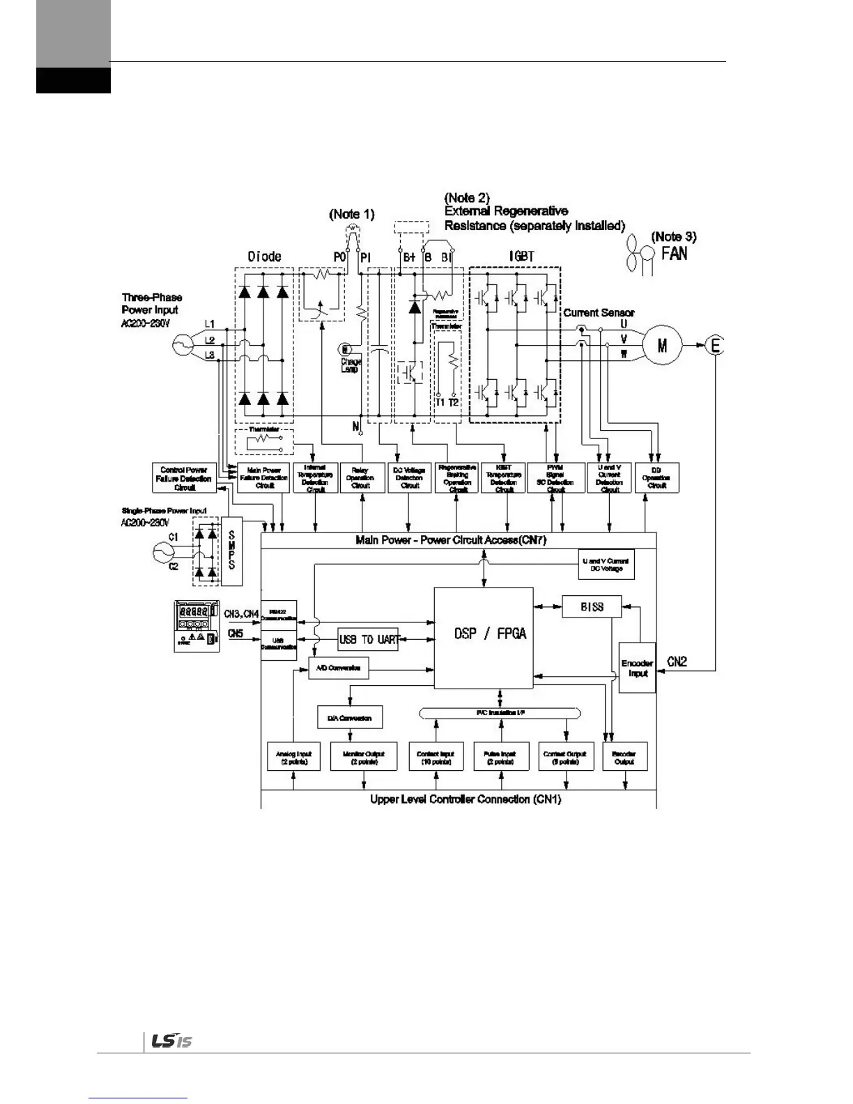
LSIS XDL-L7SA002X - XDL-L7 Drive Block Diagram [XDL-L7 SA008□ - XDL-L7 SA035□]

LSIS XDL-L7SA002X
275 pages
Print Icon
To Next Page IconTo Next Page
To Next Page IconTo Next Page
To Previous Page IconTo Previous Page
To Previous Page IconTo Previous Page
Loading...
3. Wiring Method
3-2
3.1.2 XDL-L7 Drive Block Diagram [XDL-L7SA008 -
XDL-L7SA035]
NOTE 1) If you use a DC reactor, connect to the PO and PI pins.
If you use external regenerative resistance, connect to the B+ and B pins after you remove the B and BI
short-circuit pins.
The XDL-L7SA008 and XDL-L7SA035 models are cooled by a DC 24 [V] cooling fan.

Table of Contents

Related product manuals