EasyManua.ls Logo

LSIS XDL-L7SA002X - Encoder Output Signal

LSIS XDL-L7SA002X
275 pages
Print Icon
To Next Page IconTo Next Page
To Next Page IconTo Next Page
To Previous Page IconTo Previous Page
To Previous Page IconTo Previous Page
Loading...
3. Wiring Method
3-23
(4) PNP Open Collector Pulse Command
NOTE 1) When using 24 [V] power: Resistance R = 1.5 [k], 1/2 [W]
When using 12 [V] power: Resistance R = 560-680 [], 1/2 [W]
When using 5 [V] power: Resistance R = 100-150 [], 1/2 [W]
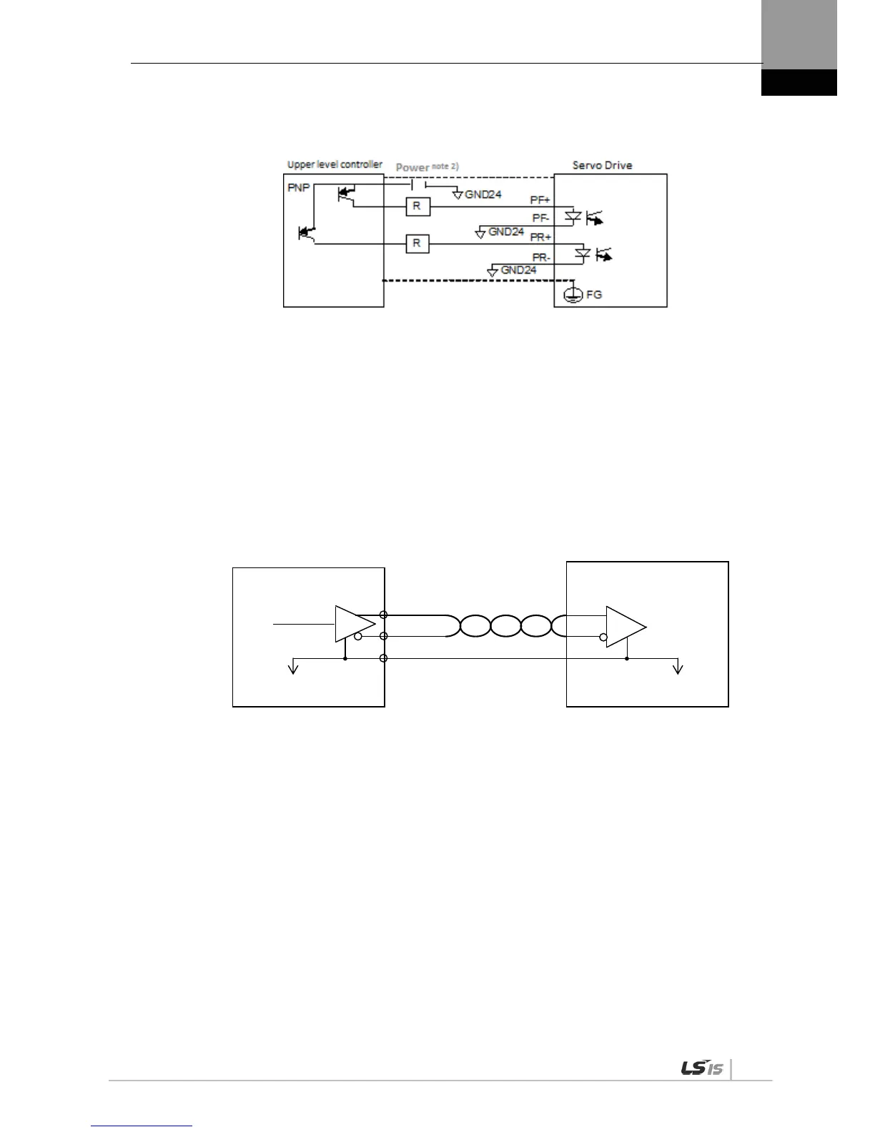
3.5.5 Encoder Output Signal
Connect the GND terminal of the upper level controller and the GND terminal of CN1
because encoder signals are output based on the GND of control power.
Encoder signals for the servo motor received from CN2 are pre-scaled, according to the ratio
defined by [P0-14] and output in line driver mode.
Set “1” on the 3
rd
bit in the menu [P0-17] ‘Function Select Bit',
It outputs open collector A,B,Z phases through existing AL0, AL1 and AL2 contact points.
(Output voltage 40mA and below, Maximum frequency 100Khz)
Servo Drive
Upper level controller
P
A
O
/AO
GND
Line driver Line receiver
SG
SG

Table of Contents

Related product manuals