EasyManua.ls Logo

LSIS XDL-L7SA002X - Pulse Train Input Signal

LSIS XDL-L7SA002X
275 pages
Print Icon
To Next Page IconTo Next Page
To Next Page IconTo Next Page
To Previous Page IconTo Previous Page
To Previous Page IconTo Previous Page
Loading...
3. Wiring Method
3-22
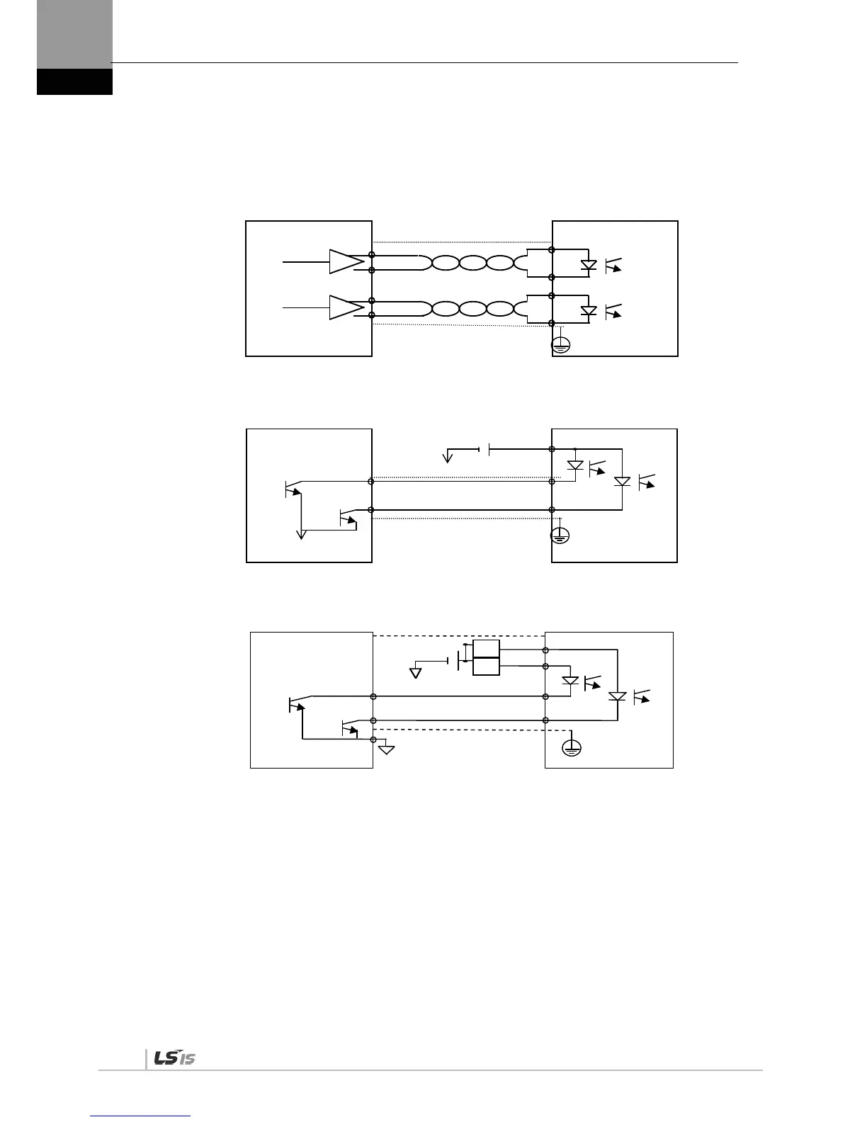
3.5.4 Pulse Train Input Signal
(1) Line Driver (5 [V]) Pulse Input
(2) Open Collector (24 [V]) Pulse Input
(3) 12 [V] or 5 [V] NPN Open Collector Pulse Command
NOTE 1) When using 5 [V] power: Resistance R = 100-150 [], 1/2 [W]
When using 12 [V] power: Resistance R = 560-680 [], 1/2 [W]
When using 24 [V] power: Resistance R = 1.5 [k], 1/2 [W]
Servo Drive
Upper level controller
PF
PR
PF+
PF-
PR+
PR-
Line driver
Line receiver
FG
Twisted Pai
r
Shield Wire
Servo Drive
Upper level controller
+24
[
V
]
GND24
GND24
Pulse COM
PR-
FG
Shield Wire
PF-
Upper level controller
Servo Drive
PR+
PF+
PF-
PR-
GND12
Power note 1
)
NPN
R
R
FG

Table of Contents

Related product manuals