EasyManua.ls Logo

LSIS XDL-L7SA002X - Page 49

LSIS XDL-L7SA002X
275 pages
Print Icon
To Next Page IconTo Next Page
To Next Page IconTo Next Page
To Previous Page IconTo Previous Page
To Previous Page IconTo Previous Page
Loading...
3. Wiring Method
3-11
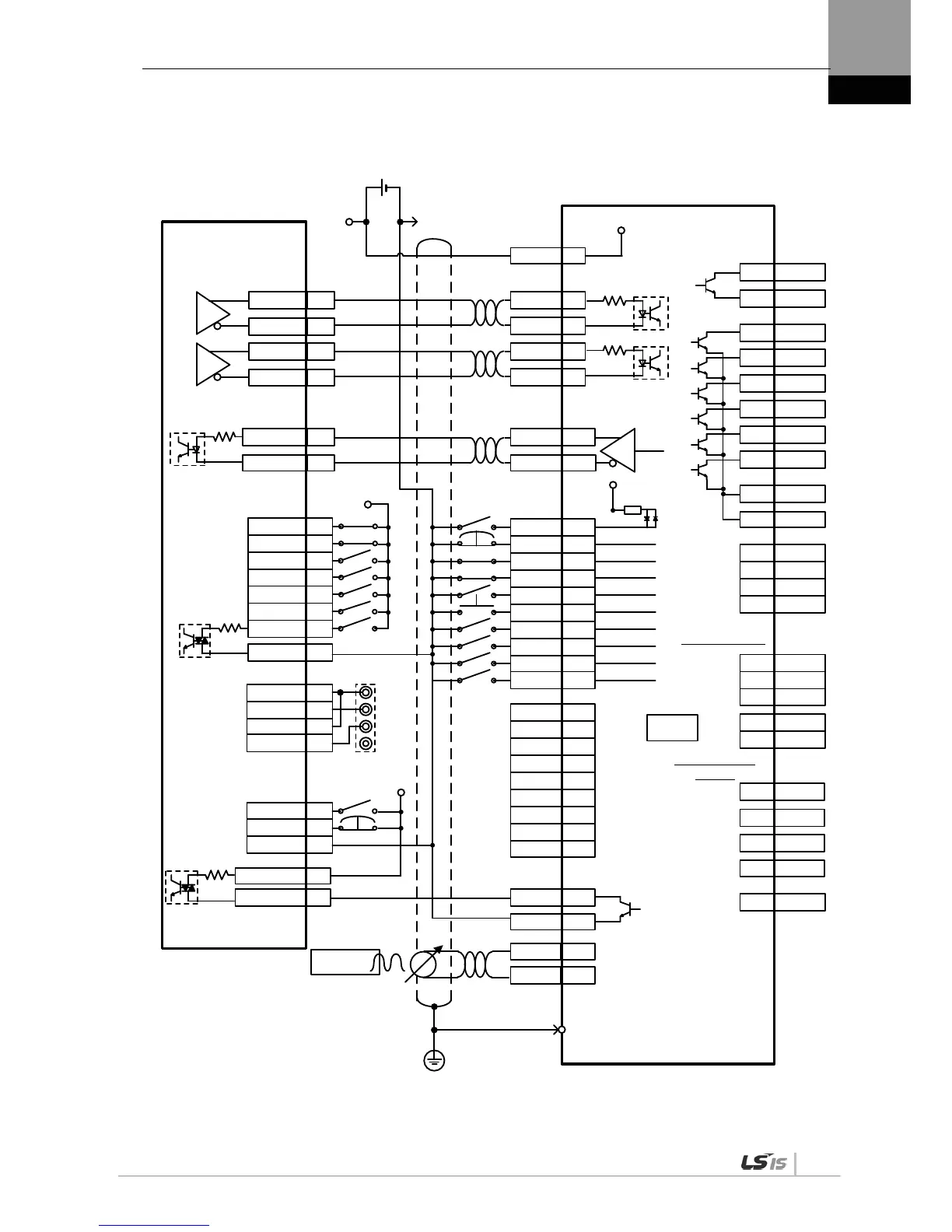
2. XGF-PD1/2/3A (Line Driver)
+24V
I/O Power
XGF-PD1/2/3A
(Line Driver)
GND24
+24V IN
F.G(CN1 Case)
F.G
Encoder Z
phase output
Twisted
Pair
DR/INP COM 34
DR/INP 33
-10V ~ +10V
Analog
torque limit
ALARM+38
ALARM-39
(DO1)
ZSPD43
BRAKE44
INPOS
45
GND2424
ALO016
ALO115
ALO214
GND2425
VLMT**
TLMT**
(DO3)
(DO4)
(DO5)
WARN**
INSPD**
(DIA)
Analog output
AO32
/AO33
BO30
/BO31
SG36
Encoder pulse
output
CWLIM 19
EMG 18
STOP 48
(DI9)
(DI8)
CCWLIM 20
(DI7)
DIR 46
(DI6)
ALMRST 17
(DI5)
EGEAR1 **
(DI4)
EGEAR2 **
(DI3)
P_CLR **
(DI2)
SVON 47
(DI1)
PCON **
GAIN2 **
T_LMT **
MODE **
ABS_RQ **
ZCLAMP **
SPD3 21
SPD2 22
SPD1 23
RDY+ 40
RDY- 41
(DO2)
TRQCOM 1
GND 8
COM 32
OV+ 25
OV- 26
STOP 27
DOG 28
VTP 29
ECMD 30
JOG- 31
FP- 22
FP+ 21
RP- 24
RP+ 23
3.3kΩ
Digital input
HOME +5V 37
HOME COM 38
DC 24V
/ZO 5
ZO 4
PR+ 11
PF+ 9
+24V IN 50
+24V IN
CN1
PF- 10
PR- 12
Twisted
Pair
Manual pulse generator
CON 7
EMG 8
COM 10
+24V
MPG A+ 1
MPG A- 2
MPG B+ 3
MPG B- 4
5V
A
B
0V
MONIT128
MONIT229
GND37
+12VA34
-12VA35
L7S
(Servo Drive)
This is an example for the standard of 1 axis. To use 2, 3 axis, refer to the pin diagram of positioning
module.
+24V

Table of Contents

Related product manuals