EasyManua.ls Logo

LSIS XDL-L7SA002X - Page 54

LSIS XDL-L7SA002X
275 pages
Print Icon
To Next Page IconTo Next Page
To Next Page IconTo Next Page
To Previous Page IconTo Previous Page
To Previous Page IconTo Previous Page
Loading...
3. Wiring Method
3-16
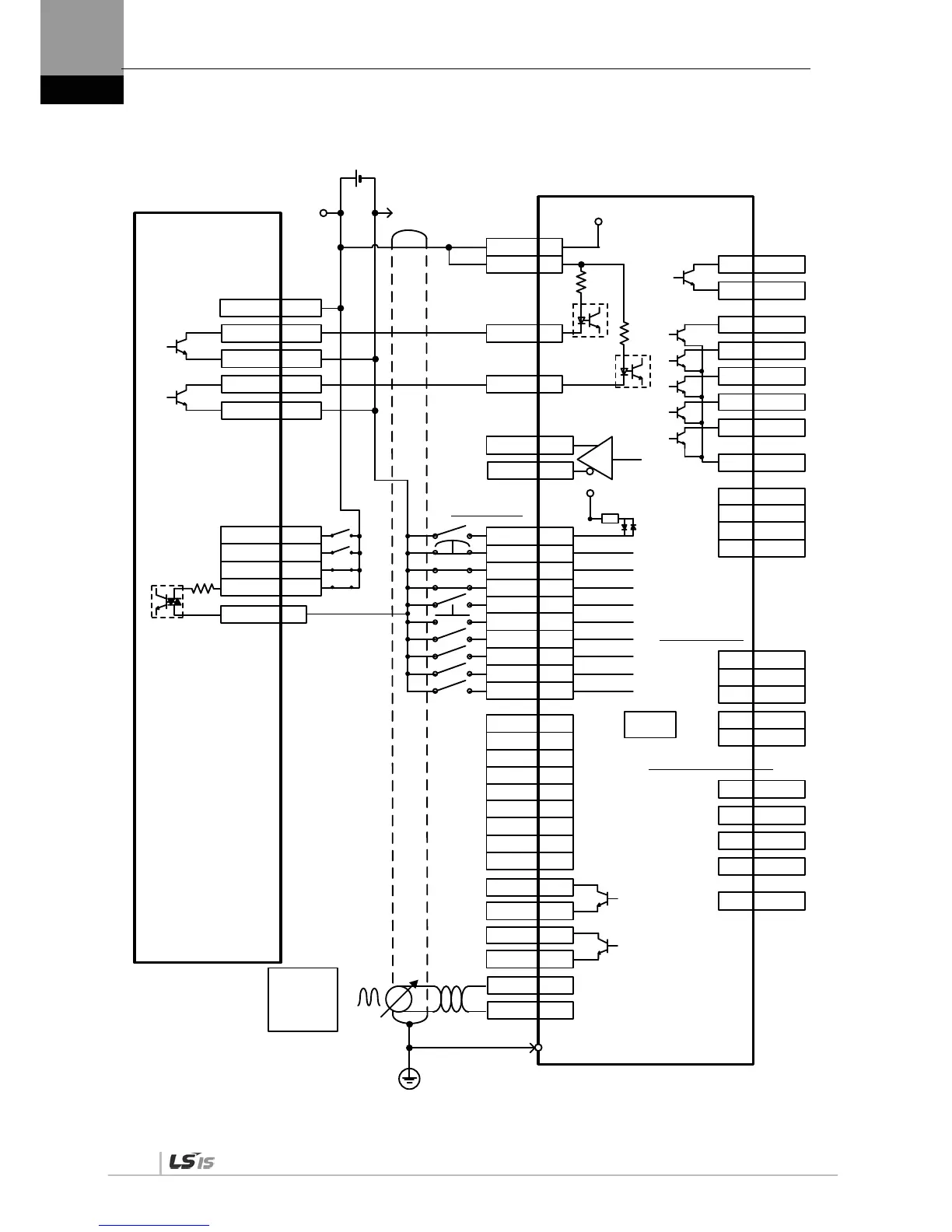
7. XBC/XEC-DNxxH (Open Collector)
+24V
I/O Power
XBC/XEC-DNxxH
(Open Collector)
GND24
+24V IN
F.G(CN1 Case)
F.G
Encoder Z phase output
1.5K
1.5K
-10V ~ +10V
Analog
torque limit
ALARM+38
ALARM-39
(DO1)
ZSPD43
BRAKE44
ALO016
ALO115
ALO214
VLMT**
TLMT**
(DO3)
(DO4)
WARN**
INSPD**
(DIA)
Analog output
AO32
/AO33
BO30
/BO31
SG36
Encoder pulse output
CWLIM 19
EMG 18
STOP 48
(DI9)
(DI8)
CCWLIM 20
(DI7)
DIR 46
(DI6)
ALMRST 17
(DI5)
EGEAR1 **
(DI4)
EGEAR2 **
(DI3)
P_CLR **
(DI2)
SVON 47
(DI1)
PCON **
GAIN2 **
T_LMT **
MODE **
ABS_RQ **
ZCLAMP **
SPD3 21
SPD2 22
SPD1 23
RDY+ 40
RDY- 41
(DO2)
TRQCOM 1
GND 8
Input
Common
COM0
HOME
P0D
%QX0.0.13
DOG
P0C
%QX0.0.12
Limit H
P09
%QX0.0.9
P08
%QX0.0.8
Output
Common
COM
Pulse
P20
%QX0.0.0
COM
Direction
P22
%QX0.0.2
3.3kΩ
Digital input
DC 24V
/ZO 5
ZO 4
PR- 12
PF- 10
PULCOM 49
+24V IN 50
+24V IN
CN1
+24V P
INPOS 45
GND 24
(DO5)
GND2425
MONIT128
MONIT229
GND37
+12VA34
-12VA35
L7S
(Servo Drive)
This is an example for the standard of 1 axis. To use 2 axis, refer to the pin diagram of positioning module
.
Output
Common
Limit L

Table of Contents

Related product manuals