EasyManua.ls Logo

LSIS XDL-L7SA002X - Page 64

LSIS XDL-L7SA002X
275 pages
Print Icon
To Next Page IconTo Next Page
To Next Page IconTo Next Page
To Previous Page IconTo Previous Page
To Previous Page IconTo Previous Page
Loading...
3. Wiring Method
3-26
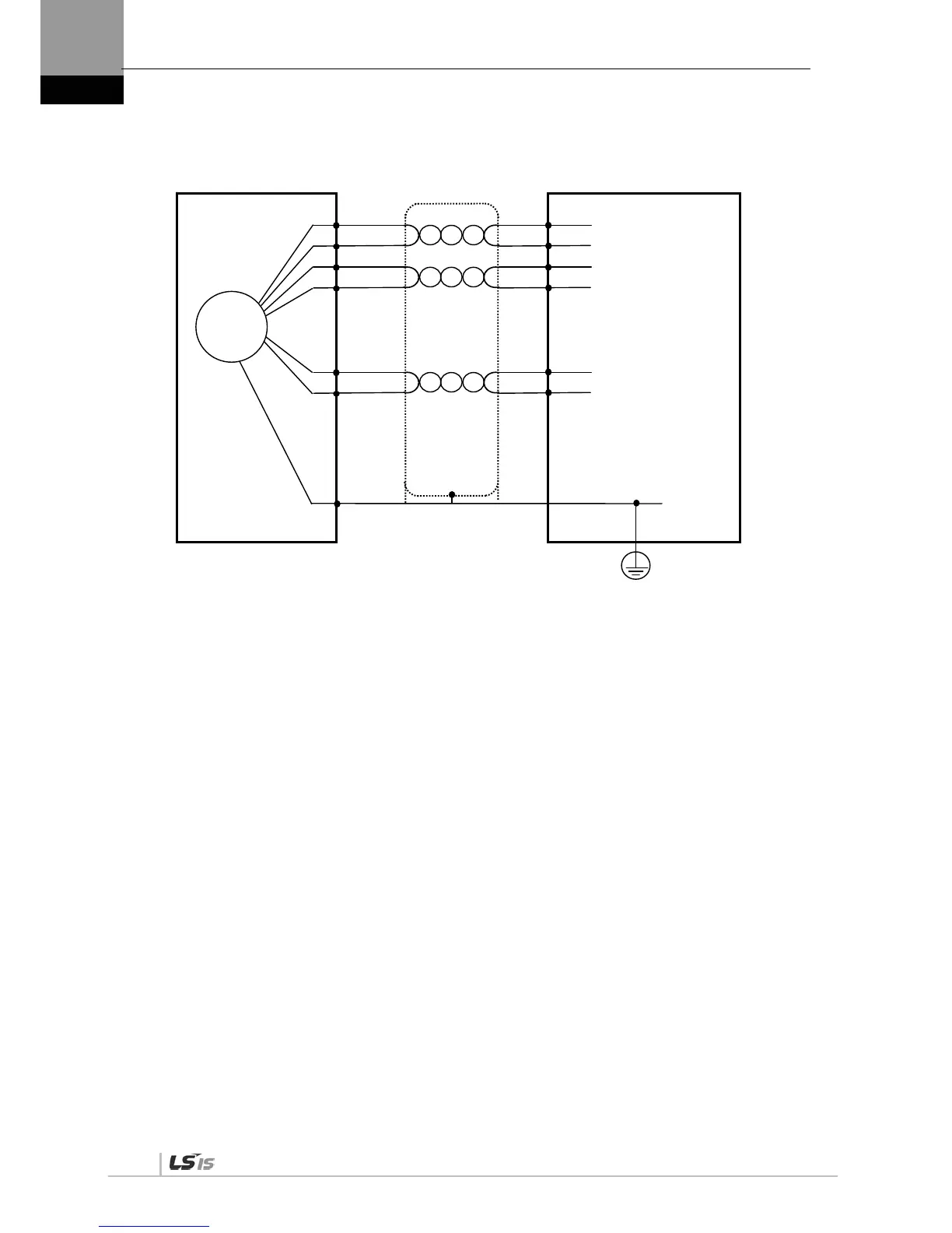
3.7.3 XLCS-EES Cable
Servo Drive Servo Motor
인코더
1
6
2
7
9
4
5
MA
/MA
SL
/SL
5V
GND
SHD
Cable
Connector(CN2)
Maker - 3M
10314-52A0-008
10114-3000VE
Connecto
r
Tyco Connector
(7Ciruits)
Encoder
3
4
5
6
14
7
Frame

Table of Contents

Related product manuals