EasyManua.ls Logo

Moxy MT 31 - Timing Gear, View Exploded

Default Icon
931 pages
Print Icon
To Next Page IconTo Next Page
To Next Page IconTo Next Page
To Previous Page IconTo Previous Page
To Previous Page IconTo Previous Page
Loading...
Engine
SHOP MANUAL MT26-31 - 06.2005
Tier-3 710655-
Ch 1 page 101
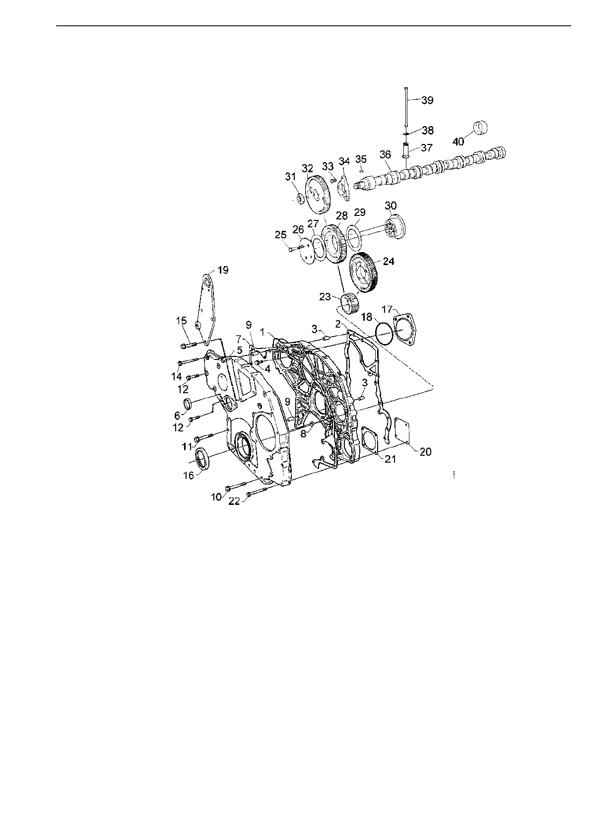
Timing gear, view exploded
1. T iming gear housing
2. Gaske t
3. Pin
4. Flange bolt
5. Timing gear cover
6. Core plug
7. Gaske t
8. Gaske t
9. Pin
10. Flange bolt
11. Flange bolt
12. Flange bolt
13. Flange bolt
14. Flange bolt
15. Flange bolt
16. Crankshaft seal
17. Cover
18. O-ring
19. Lifting eye
20. Cover
21. Gasket
22. Flange bolt
23. Crankshaft gear
24. Injection pump gear
25. Bolt
26. Washer
27. Thrust bearing
28. Intermediate gear
29. Thrust bearing
30. Shaft journal
31. Nut
32. Camshaft gear
33. Flange bolt
34. Guide flange
35. Key
36. Camshaft
37. Tappet
38. Retai ning ring
39. Pushrod
40. Bushing

Table of Contents

Related product manuals