EasyManua.ls Logo

Moxy MT 31 - Oil Circuit Diagram; Valve Block Controll Circuit

Default Icon
931 pages
Print Icon
To Next Page IconTo Next Page
To Next Page IconTo Next Page
To Previous Page IconTo Previous Page
To Previous Page IconTo Previous Page
Loading...
SHOP MANUAL MT26/31 - 08.2006 SHOP MANUAL MT26/31 - 08.2006
SHOP MANUAL MT26/31 - 08.2006 SHOP MANUAL MT26/31 - 08.2006
Ch 2 page 53
TRANSMISSION
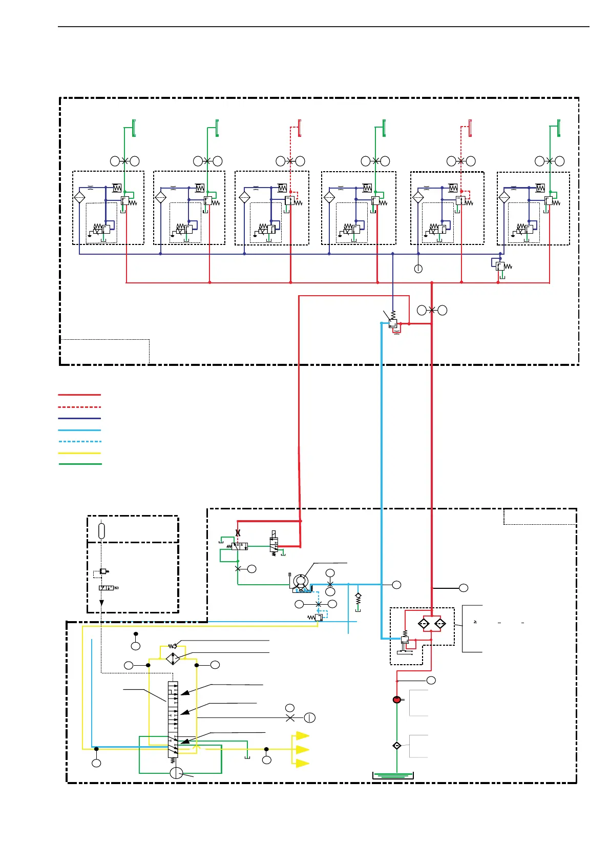
Oil circuit diagram
Valve block controll circuit
Main oil circuit
OIL SUMP
67
FILLING POSITION
ON DRIVER'S CABIN
RTV
WITH RETARDER
WITHOUT RETARDER
RT
66
15
16
39
40
38
Not scope of supply- ZF
Sole n o id
valve
WK
Converter
WKM
WKV
BYPASS
VALVE
28
30
29
WGV
WT (SCOPE OF SUPPLY CUSTOMER)
51
63
52
H
FINE FILTER
FILTER GRADE ACCORDING
ISO 4572:
β
Air reservoir 8 bar
Scope of supply
Pressure reducing
valve
5,5 bar
p=2
+3
bar
MAIN OIL CIRCUIT
30
>
75
β
> 2 5 β
10
15
>
5,0
DUST
CAPACITY ACCORDING ISO 4572
min.
17g
FILTER SURFACE
CM²
2 x 6700 = 13400
TRANSMISSION PUMP
p= 16 +2 bar
Qp=115L/min
-1
at
n=engine
2000 min
-1
COARSE FILTER
MESH SIZE µ M: 450
FILTER
SURFACE CM² 1000
LUBRICATION
From the filter
To
the filter
Y4
NFS
Y5
NFS
RV-
9
HDV
D
NFS
Y6
D
K2
57
TEMP
NFS
NFS
NFS
D
Y3
Y2
53
56
55
Y1
65
D
60
D
D
58
P6
KV
P5
P4
K3
P3
K1
P2
K4
P1
KR
BBBBBB
A
B
C
E
D
F
K
LEGENDE
= Main pressure
=
Regulated main pressure
=
Pilot pressure
=
Converter input pressure
=
Converter output pressure
=
Lubrication
=
Return into the sump
Valve block control
circuit

Table of Contents

Related product manuals