EasyManua.ls Logo

Moxy MT 31 - Page 924

Default Icon
931 pages
Print Icon
To Next Page IconTo Next Page
To Next Page IconTo Next Page
To Previous Page IconTo Previous Page
To Previous Page IconTo Previous Page
Loading...
Subject to modifications
User Manual
Operation Instructions
2.1A-30008-A04
Page 41 of 48
LINCOLN GmbH & Co. KG • Postfach 1263 • D-69183 Walldorf • Tel +49 (6227) 33-0 • Fax +49 (6227) 33-259
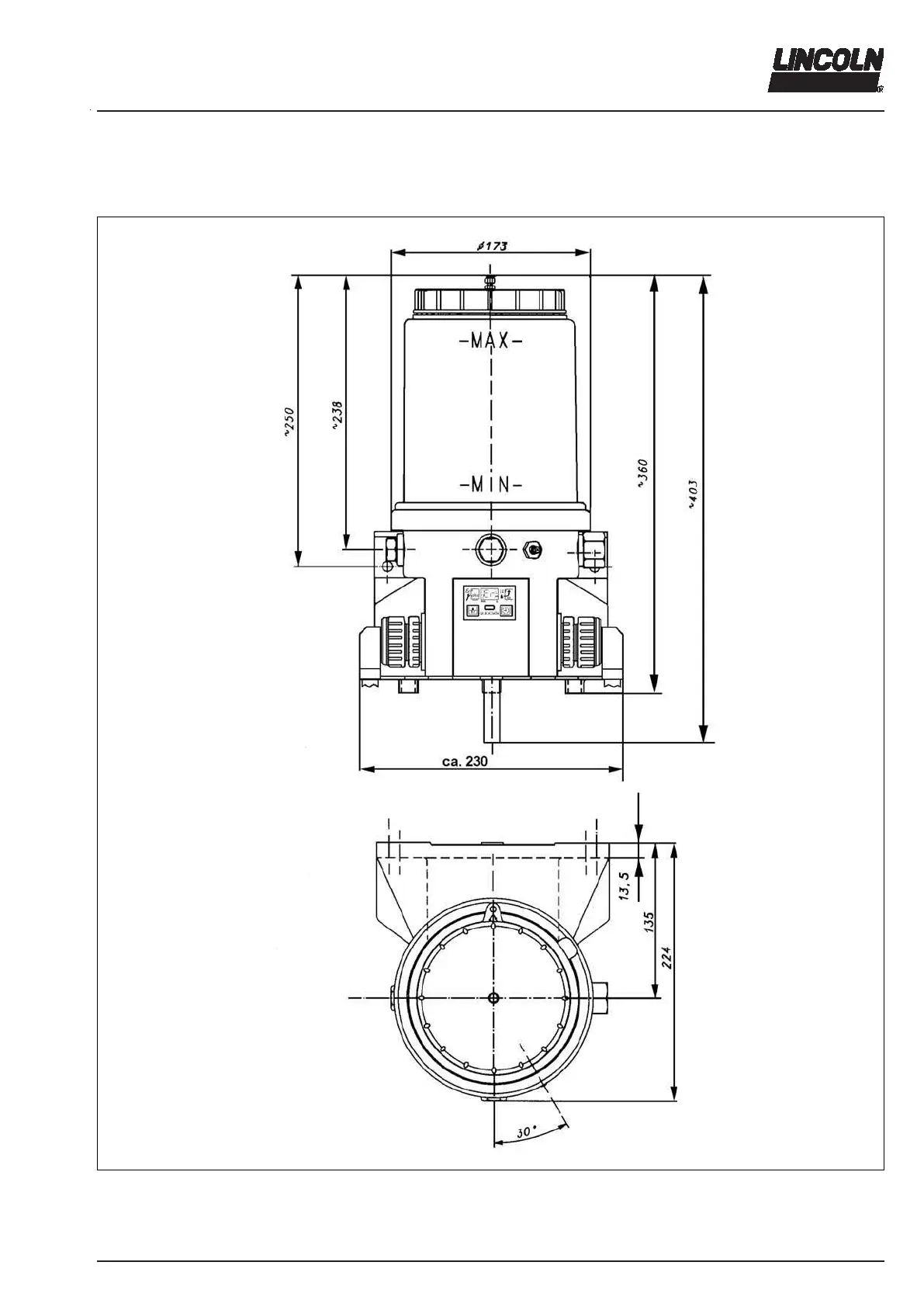
Technical Data, continuation
Dimensions - 2 l reservoir with filling from the top
1167b01
Fig. 51 Dimensions - 2 l reservoir with filling from the top

Table of Contents

Related product manuals