EasyManua.ls Logo

wsm M7060 - Page 78

wsm M7060
639 pages
Print Icon
To Next Page IconTo Next Page
To Next Page IconTo Next Page
To Previous Page IconTo Previous Page
To Previous Page IconTo Previous Page
Loading...
GENERAL
M6060, M7060, WSM
G-55
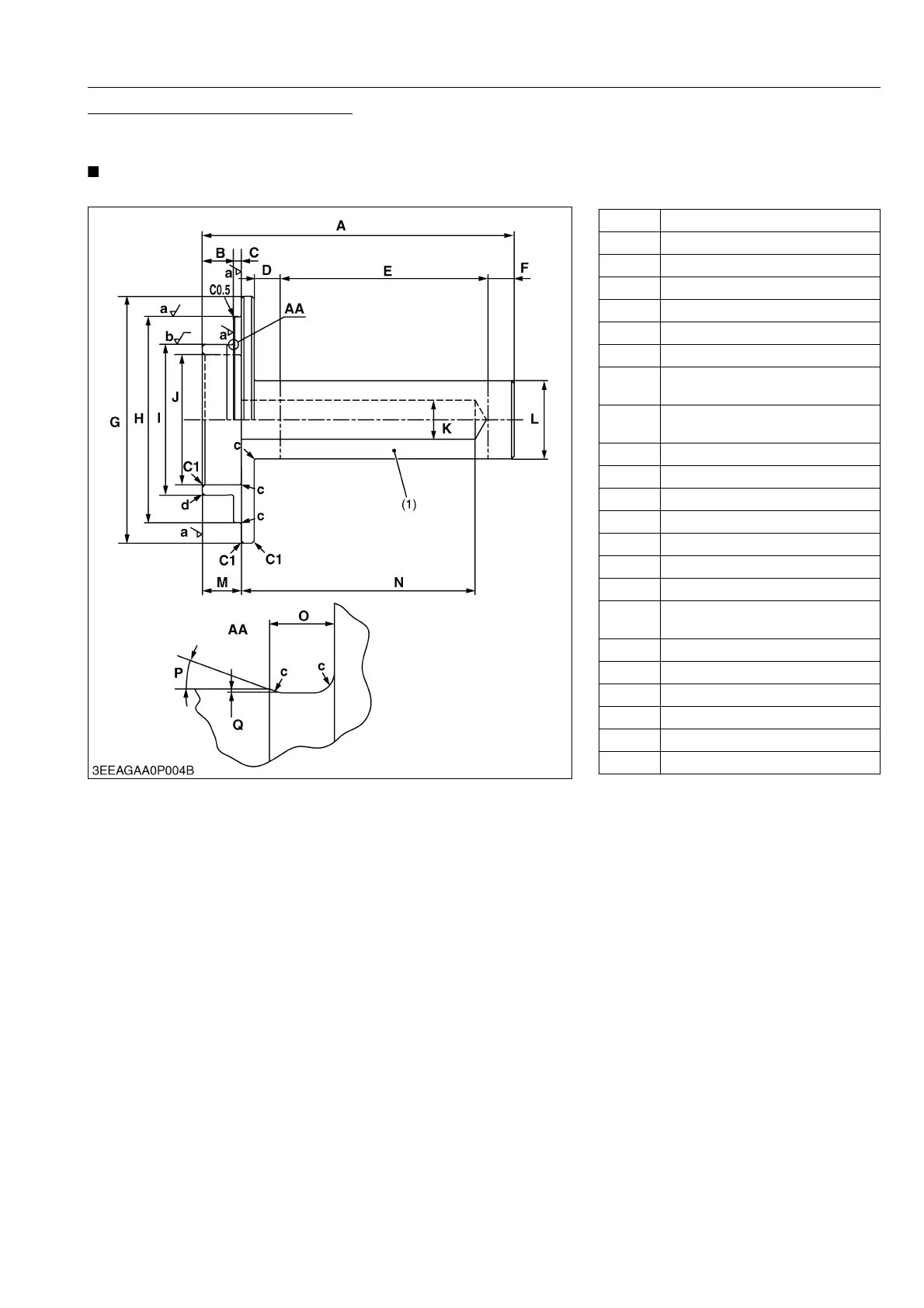
Front Cover Oil Seal Replacing Tool
Application
Use to press fit the front cover oil seal.
NOTE
This special tool is not provided, so make it referring to the figure.
9Y1210828GEG0085US0
A 120 mm (4.72 in.)
B 12.0 mm (0.472 in.)
C 2.90 to 3.00 mm (0.115 to 0.118 in.)
D 10.0 mm (0.394 in.)
E 80.0 mm (3.15 in.)
F 10.0 mm (0.394 in.)
G 95.0 mm dia. (3.74 in. dia.)
H
78.900 to 79.100 mm dia.
(3.1063 to 3.1141 in. dia.)
I
57.971 to 57.990 mm dia.
(2.2824 to 2.2830 in. dia.)
J 50.0 mm dia. (1.97 in. dia.)
K 15.0 mm dia. (0.591 in. dia.)
L 30.0 mm dia. (1.18 in. dia.)
M 15.0 mm (0.591 in.)
N 90.0 mm (3.54 in.)
O 2.50 mm (0.0984 in.)
P 0.35 rad (20 °)
Q
0.15 to 0.25 mm
(0.0059 to 0.0098 in.)
a Ra = 3.2 a
b Ra = 1.6 a
c 0.80 mm radius (0.031 in. radius)
d 1.5 mm radius (0.059 in. radius)
C0.5 Chamfer 0.50 mm (0.020 in.)
C1 Chamfer 1.0 mm (0.039 in.)
(1) Material : S43C-D
KiSC issued 08, 2013 A

Table of Contents

Related product manuals