EasyManua.ls Logo

wsm M7060 - Page 85

wsm M7060
639 pages
Print Icon
To Next Page IconTo Next Page
To Next Page IconTo Next Page
To Previous Page IconTo Previous Page
To Previous Page IconTo Previous Page
Loading...
GENERAL
M6060, M7060, WSM
G-62
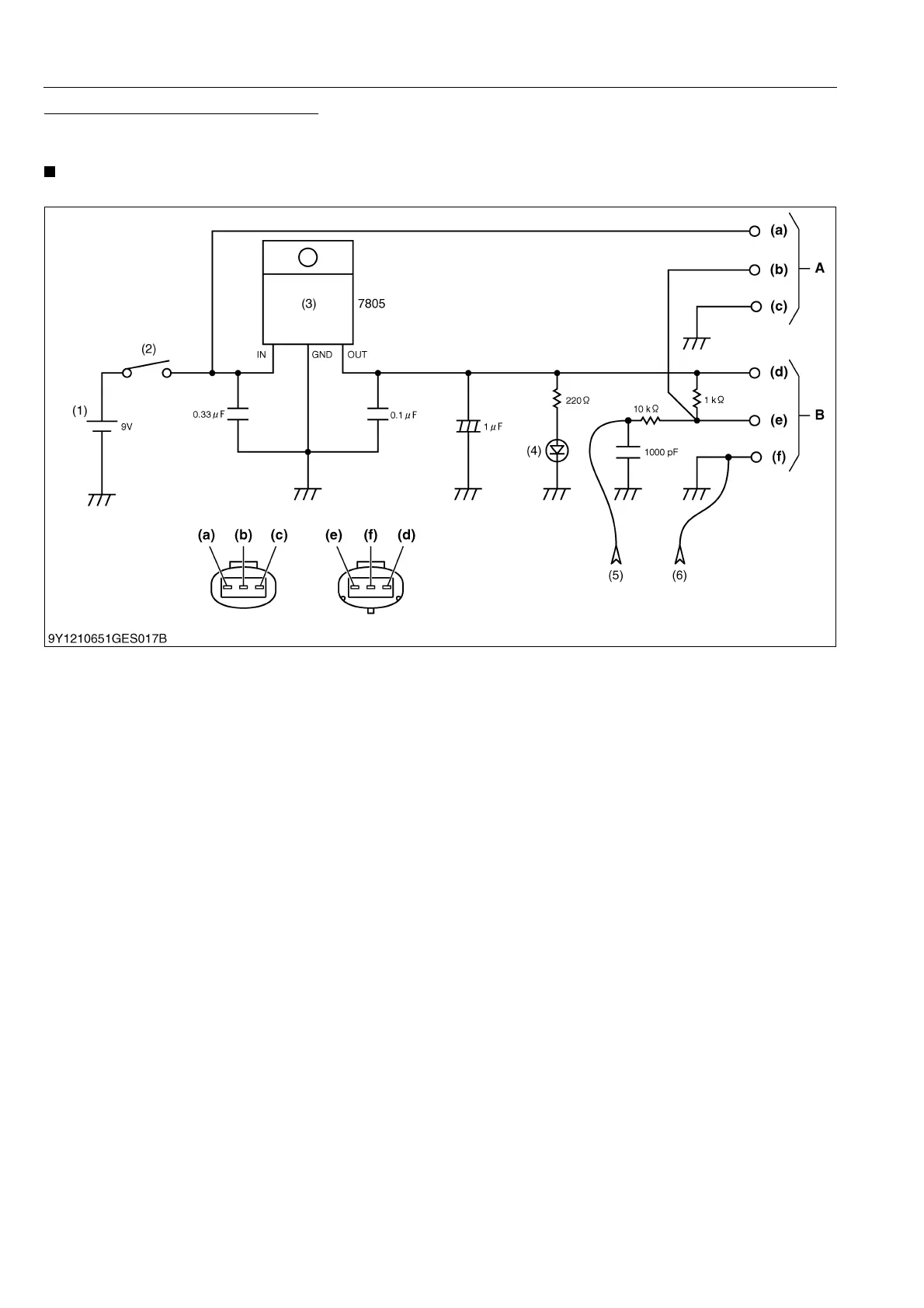
Rotation Sensor Signal Interface Unit
Application
Use for reading rotatino sensor signal.
NOTE
This special tool is not provided, so make it referring to the figure.
9Y1210828GEG0093US0
(1) 9V Battery
(2) Switch
(3) 3-Terminal Regulator
(4) LED
(5) Clip (Red)
(6) Clip (Black)
A: for Panasonic
B: for DENSO
(a) +9 V
(b) Signal
(c) GND
(d) +5 V
(e) Signal
(f) GND
KiSC issued 08, 2013 A

Table of Contents

Related product manuals