EasyManua.ls Logo

wsm M7060 - Page 86

wsm M7060
639 pages
Print Icon
To Next Page IconTo Next Page
To Next Page IconTo Next Page
To Previous Page IconTo Previous Page
To Previous Page IconTo Previous Page
Loading...
GENERAL
M6060, M7060, WSM
G-63
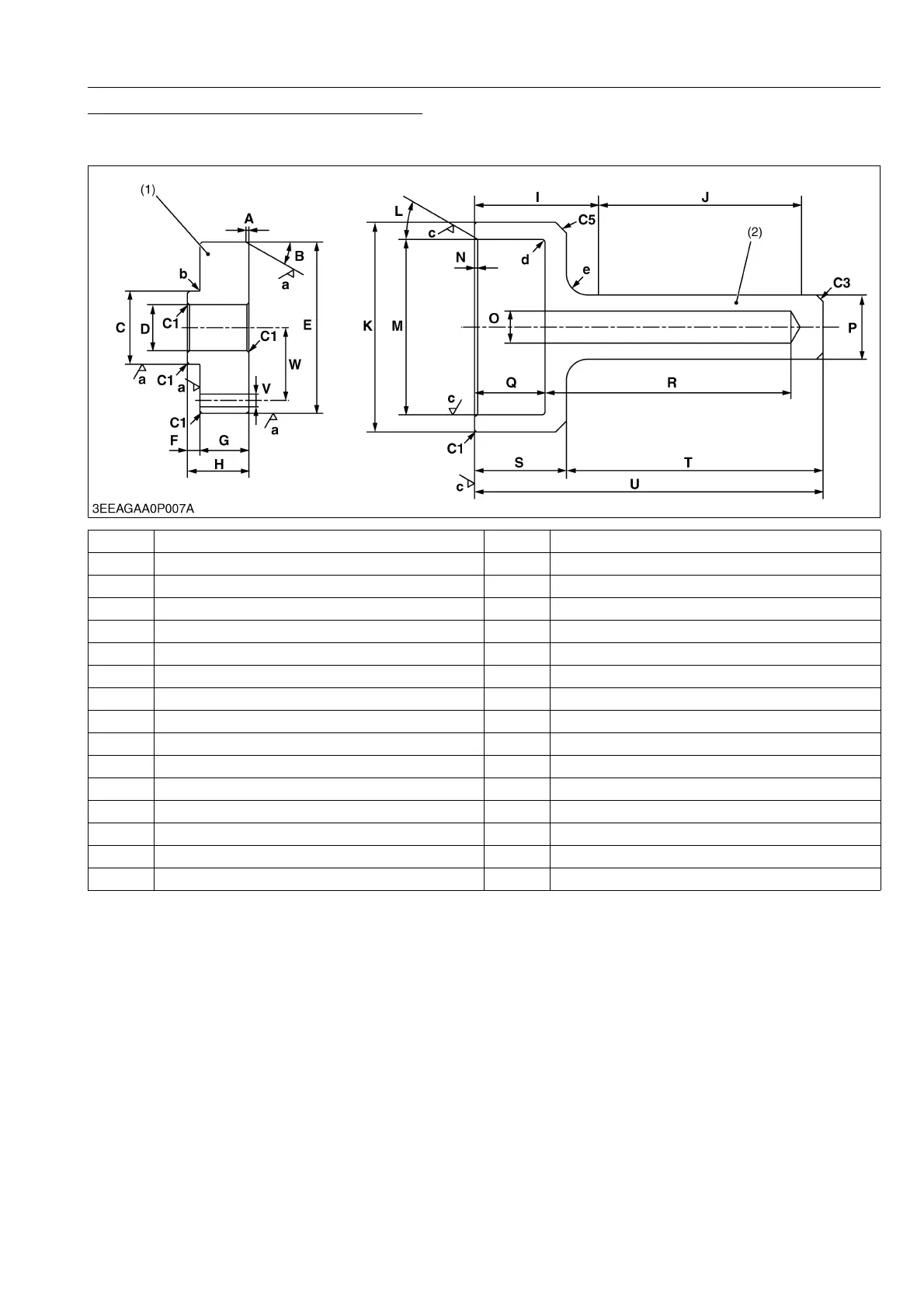
Auxiliary Socket for Fixing Crankshaft Sleeve
Application
Use to fix the crankshaft sleeve of the diesel engine.
9Y1210828GEG0094US0
A 1.5 mm (0.0591 in.) Q 33 mm (1.2992 in.)
B 0.523 rad (30 °) R 115 mm (4.5276 in.)
C 34.925 to 34.950 mm dia. (1.3750 to 1.3760 in. dia.) S 43 mm (1.6929 in.)
D 22 mm dia. (0.8661 in. dia.) T 120 mm (4.7244 in.)
E 81.980 to 81.985 mm dia. (3.2276 to 3.2278 in. dia.) U 163 mm (6.4173 in.)
F 6 mm (0.2362 in.) V 8 mm dia. (0.315 in. dia.)
G 23.5 mm (0.9252 in.) W 33.475 to 33.525 mm (1.3180 to 1.3198 in.)
H 29.5 mm (1.1614 in.) a Ra = 1.6 a
I 58 mm (2.2835 in.) b 0.5 mm radius (0.0197 in. radius)
J 95 mm (3.7402 in.) c Ra = 3.2 a
K 98 mm dia. (3.8583 in. dia.) d 1.5 mm radius (0.0591 in. radius)
L 0.523 rad (30 °) e 10 mm radius (0.3937 in. radius)
M 82.1 to 82.2 mm dia. (3.2323 to 3.2362 in. dia.) C1 Chamfer 1.0 mm (0.0394 in.)
N 1.5 mm (0.0591 in.) C3 Chamfer 3.0 mm (0.1181 in.)
O 15 mm dia. (0.5906 in. dia.) C5 Chamfer 5.0 mm (0.1969 in.)
P 30 mm dia. (1.1811 in. dia.)
(1) Sleeve Guide (2) Auxiliary Socket for Pushing
KiSC issued 08, 2013 A

Table of Contents

Related product manuals